ZDJM脹緊膜片聯軸器優性特點:
1、偏心允許范圍大,可靈活應用于各種傳動系統。
2、拆裝迅速,具有很高的裝配重要性。
3、無需潤滑,無噪音,磨損。無滑動、摩擦、轉動部件,。
4、結構簡單,重量輕,可降低能量損失" />
86-021-54422420 13818829143
86-021-54422402 17701898099
All products
聯軸器 Coupling
傳動輪 Pulley
脹套 Lock
絲桿導軌 ScrewGuide
離合制動器 Clutch
傳動器 Actuators
皮帶 Belt
電機 Motor
軸承 Bearing

ZJM脹套膜片聯軸器,ZDJM脹緊式膜片聯軸器,ZDJM膜片聯軸器


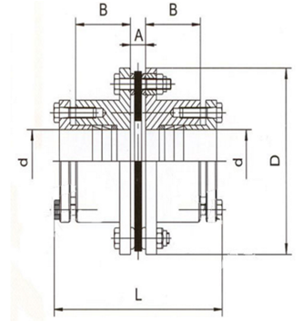
ZJM脹緊套膜片聯軸器為上海邁動工業專有的形號;意為脹緊式膜片聯軸器,它是通過膜片的彈性變形來補償所聯兩軸的相對位移,膜片分為連桿式和整體式。其結構是由幾組膜片用螺栓交錯地與兩半聯軸器聯接,普通的膜片聯軸器與傳動軸是通過鍵槽連接而DJM型脹緊套膜片聯軸器則是通過附加的錐套與傳動軸連接,所以也稱為“錐套型彈性膜片聯軸器”。
ZDJM脹緊套膜片聯軸器分為單膜片和雙膜片兩種形式,單膜片也稱為“ZDJM錐形套但膜片聯軸器”其特點是結構簡單價格低廉;雙膜片稱為“ZSJM錐形套雙膜片聯軸器”其特點是傳動距離大且撓性補償量高。
ZDJM脹緊膜片聯軸器優性特點:
1、偏心允許范圍大,可靈活應用于各種傳動系統。
2、拆裝迅速,具有很高的裝配重要性。
3、無需潤滑,無噪音,磨損。無滑動、摩擦、轉動部件,。
4、結構簡單,重量輕,可降低能量損失
5、不需維護,停機時肉眼可檢查故障。
6、良好的環境適應性,可高溫下運轉。
7、傳動精度高。可靠性高,壽命長。
| 形號 | 舊形號 | 孔徑 | 外徑 | 許用轉速 | 扭矩 | 許用補償量 | 重量 | ||||||
| Typle | Typle | d mm | D mm | L mm | A mm | A mm | rpm | n.m | 角向。 | 軸向 | kg | FI | FCS |
| ZJM1 | ZDJM1 | 88~22 | 68 | 90 | 6.1 | 26 | 20000 | 33 | 1° | ±0.8 | 0.85 | 102 | 510 |
| ZJM2 | ZDJM2 | 10~32 | 81 | 95 | 6.6 | 26 | 20000 | 90 | 1° | ±1.0 | 1.2 | 144 | 720 |
| ZJM3 | ZDJM3 | 10~35 | 93 | 110 | 8.4 | 29 | 18000 | 173 | 1° | ±1.2 | 1.7 | 204 | 1020 |
| ZJM4 | ZDJM4 | 10~42 | 104 | 124 | 11.2 | 34 | 15000 | 245 | 1° | ±1.4 | 2.7 | 270 | 1350 |
| ZJM5 | ZDJM5 | 15~50 | 126 | 152 | 11.7 | 42 | 13000 | 420 | 1° | ±1.6 | 6.5 | 520 | 2600 |
| ZJM6 | ZDJM6 | 15~60 | 143 | 170 | 11.7 | 48 | 12000 | 772 | 1° | ±1.8 | 8.9 | 765 | 3827 |
| ZJM7 | ZDJM7 | 20~70 | 168 | 210 | 16.8 | 58 | 10000 | 1270 | 1° | ±2.5 | 15.8 | 1359 | 6794 |




公司名稱:上海邁動機電設備有限公司
公司地址:上海青浦工業區崧海路98號
郵政編碼:201703
公司電話:021-54422420
公司傳真:021-54422420-801
郵箱:shmidon@126.com
戶名:上海邁動機電設備有限公司
稅號:310112660703692
開戶行:工行上海莘莊支行
賬號:1001140209007024765
電話:021-54422420 54422402
傳真:021-54422420-801
地址:上海莘莊工業園區申富路128號(開票)
地址:上海青浦工業園區崧海路98號(收貨地址)
上海邁動機電設備有限公司提供17%的增值稅發票;
品質100%保證,讓你更放心使用。
ADD:上海邁動機電設備有限公司 備案號:滬ICP備15037005
TEL:86-021-54422420,021-544227902 ,021-54422402 MB:13818829143,17701898099