86-021-54422420 13818829143
86-021-54422402 17701898099
All products
联轴器 Coupling
传动轮 Pulley
胀套 Lock
丝杆导轨 ScrewGuide
离合制动器 Clutch
传动器 Actuators
皮带 Belt
电机 Motor
轴承 Bearing

DDL3 DDL10 DZD10单片电磁离合器,可以高速离合。
㈠、主要用途:单片电磁离合器,只有一对摩擦片,它具有结构简单、安装方便、工作频率高、动作灵敏、无空载力矩、噪音低等特点。广泛用于印刷、造纸、包装、医疗、纺织、建筑、船舶、办公机械、计算机外围设备、仪表、通讯等机械传动系统中完成离合、换向、变速、制动、定位等功能。
㈡、单片电磁离合器、制动器在下列条件下可能可靠工作:
1、海拔高度不超过2000m;
2、周围空气温度为-5℃~+40℃;
3、周围介质中无爆炸危险且无足以腐蚀金属和破坏绝缘的气体及导电尘埃;
4、离合器、制动器线圈的供电电压波动不超过+5%和-15%的额定电压;
5、摩擦片应清洁无油污。
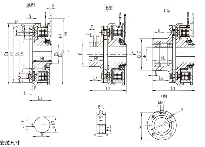
㈢、安装:
1、安装前,清洁摩擦面,使之保持无油污及杂物;
2、安装时应轴向固定,如分轴安装应保持同轴度为9级;
3、安装时调整气隙δ,使之达到表中规定值。

主要性能参数
规格 | 额定动力矩 N.m | 静力矩 N.m | 额定电压 D.C.V | 线圈消耗功率(20℃)W | 允许最高转速 r/min |
0.4 | 4 | 4.4 | 24 | — | 4000 |
1 | 10 | 11 | 24 | 16 | 4000 |
2 | 20 | 22 | 24 | 20 | 4000 |
4 | 40 | 45 | 24 | 25 | 4000 |
8 | 80 | 90 | 24 | 36 | 3000 |
16 | 160 | 175 | 24 | 46 | 3000 |
25 | 250 | 275 | 24 | 50 | 2000 |
| 外形与安装尺寸 | ||||||||||||||||||||
| 规格 | D1 | D2 | D3 | D4 | D5 | D6 | L1 | L2 | L3 | L4 | L5 | M1 | M2 | M3 | R | H1 | H2 | H3 | ||
| 1 | 85 | 80 | 60 | 41.5 | 25 | 85 | 34.5 | 54.5 | 63.5 | 16 | 25 | 30 | 20 | 29 | 2 | 65 | 57 | 10.5 | ||
| 2 | 106 | 100 | 76 | 51.5 | 30 | 106 | 39 | 64 | 74 | 20 | 30 | 33 | 25 | 35 | 2 | 70 | 62.5 | 11.5 | ||
| 4 | 133 | 125 | 95 | 61.5 | 40 | 133 | 44.5 | 74.5 | 90.5 | 24 | 40 | 37.5 | 30 | 46 | 2 | 85 | 77 | 11.5 | ||
| 8 | 169 | 160 | 120 | 79.5 | 55 | 169 | 50.5 | 88.5 | 107.5 | 31 | 50 | 41.5 | 38 | 57 | 3.2 | 112 | 100 | 18.5 | ||
| 16 | 212.5 | 200 | 158 | 100 | 70 | 212.5 | 62 | 104 | 131 | 33 | 60 | 51 | 42 | 69 | 3.5 | 140 | 125 | 20 | ||
| 25 | 253 | 241 | 185.5 | 120 | 85 | 253 | 70.5 | 120.5 | 147.5 | 38 | 65 | 58 | 50 | 77 | 4.5 | 156.5 | 141.5 | 24 | ||
| 规格 | P1 | P2 | V1 | V2 | V3 | X | E | T | t | G | O | N | S | U | W | m | φ | h | e | δ |
| 1 | 16 | 5.5 | 4.1 | 8 | 7.5 | 2.8 | 31 | 8 | M5 | 45 | 15 | 2 | 37 | 42 | 5 | 3-M4深6 | 15 | 17.3 | 5 | 0.2 |
| 2 | 16 | 6.5 | 5.1 | 10.5 | 9 | 3.8 | 41 | 10 | M5 | 55 | 20 | 3 | 47 | 51.5 | 6 | 4-M4深8 | 20 | 22.8 | 6 | 0.2 |
| 4 | 16 | 6.5 | 6.1 | 12 | 11 | 5 | 49 | 12 | M6 | 64 | 30 | 3 | 52 | 60 | 8 | 4-M4深8 | 25 | 28.3 | 8 | 0.3 |
| 8 | 25 | 8.5 | 8.1 | 15 | 14 | 6 | 65 | 15 | M8 | 75 | 35 | 3 | 62 | 71 | 8 | 6-M5深8 | 30 | 33.3 | 8 | 0.3 |
| 16 | 25 | 8.5 | 10.2 | 20 | 18.5 | 8 | 83 | 16 | M8 | 100 | 45 | 4 | 84 | 94.5 | 14 | 6-M6深12 | 45 | 48.8 | 14 | 0.5 |
| 25 | 30 | 12.5 | 10.2 | 20 | 18.5 | 8 | 100 | 18 | M10 | 110 | 50 | 6 | 100 | 104 | 16 | 6-M6深12 | 55 | 59.3 | 16 | 0.5 |



公司名称:上海迈动机电设备有限公司
公司地址:上海青浦工业区崧海路98号
邮政编码:201703
公司电话:021-54422420
公司传真:021-54422420-801
邮箱:shmidon@126.com
户名:上海迈动机电设备有限公司
税号:310112660703692
开户行:工行上海莘庄支行
账号:1001140209007024765
电话:021-54422420 54422402
传真:021-54422420-801
地址:上海莘庄工业园区申富路128号(开票)
地址:上海青浦工业园区崧海路98号(收货地址)
上海迈动机电设备有限公司提供17%的增值税发票;
品质100%保证,让你更放心使用。
ADD:上海迈动机电设备有限公司 备案号:沪ICP备15037005
TEL:86-021-54422420,021-544227902 ,021-54422402 MB:13818829143,17701898099