86-021-54422420 13818829143
86-021-54422402 17701898099
All products
联轴器 Coupling
传动轮 Pulley
胀套 Lock
丝杆导轨 ScrewGuide
离合制动器 Clutch
传动器 Actuators
皮带 Belt
电机 Motor
轴承 Bearing

VP可调皮带轮结合了多楔带传动和中心距可调设计的优点,具有一系列非常突出的特性,使其在众多机械传动应用中备受欢迎。
高效率:节能降耗。高紧凑性:节省宝贵空间。高可靠性长寿命,免维护或少维护。运行平稳安静: 改善工作环境。调节便捷:简化安装、张紧和维护
以下是其主要优点和特性:
1. 高传动效率: 多楔带的设计使其与带轮的接触面积远大于传统V带(多楔相当于多个微型V带并列)。楔形效应提供更大的摩擦力,显著减少打滑现象。
传动效率通常可高达98%,接近同步带水平,远高于普通V带(90-95%),节省能源。
2. 紧凑结构与高功率密度:在相同的安装空间内,PV带轮可以传递比普通V带大得多的功率。
3. 优异的柔韧性与小弯曲半径:PV带非常薄且柔韧,允许使用更小的带轮直径,这使得传动系统设计更加灵活,尤其适用于需要紧凑布局和绕过障碍物的场合。
4. 低噪音与低振动:多楔带在运行时比传统V带更平稳。带体薄且柔韧,运行更顺畅,产生的噪音和振动显著降低,提高了工作环境的舒适性和设备寿命。
9. 应用广泛:应用于需要高效、紧凑、安静传动的场合,如:工业设备:风机、水泵、压缩机、传送带、机床附件、包装机械、发电机等。汽车:发动机附件驱动(空调压缩机、发电机、水泵、助力转向泵等)。 农业机械。办公设备。家用电器(高端型号)。


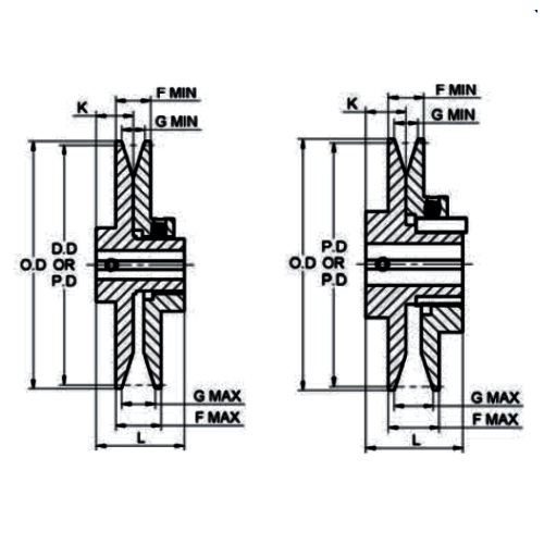
| Part No | Type | Q.D | F | G | L | K | Wt.Lbs | ||
Max | Min | Max | Min | ||||||
| 1VP25 | 1 | 2.5 | 47/64 | 35/64 | 37/64 | 3/8 | 1 45/64 | 3/4 | 0.7 |
| 1VP30 | 1 | 2.87 | 47/64 | 35/64 | 37/64 | 3/8 | 1 45/64 | 3/4 | 1.1 |
| 1VP34 | 1 | 3.15 | 31/32 | 3/4 | 23/32 | 1/2 | 1 29/32 | 51/64 | 1.4 |
| 1VP40 | 1 | 3.75 | 31/32 | 3/4 | 23/32 | 1/2 | 1 29/32 | 51/64 | 1.9 |
| 1VP44 | 1 | 4.15 | 31/32 | 3/4 | 23/32 | 1/2 | 1 29/32 | 51/64 | 2.4 |
| 1VP44 | 2 | 4.15 | 1 5/64 | 3/4 | 53/64 | 1/2 | 2 3/64 | 27/32 | 2.9 |
| 1VP50 | 1 | 4.75 | 31/32 | 3/4 | 23/32 | 1/2 | 1 29/32 | 51/64 | 2.9 |
| 1VP50 | 2 | 4.75 | 1 5/64 | 3/4 | 53/64 | 1/2 | 2 3/64 | 27/32 | 3.6 |
| 1VP56 | 1 | 5.35 | 31/32 | 3/4 | 23/32 | 1/2 | 1 29/32 | 51/64 | 3.8 |
| 1VP56 | 2 | 5.35 | 1 5/64 | 3/4 | 53/64 | 1/2 | 2 3/64 | 27/32 | 4.4 |
| 1VP60 | 2 | 6 | 1 13/64 | 7/8 | 63/64 | 21/32 | 2 1/4 | 1 | 6.5 |
| 1VP62 | 2 | 5.95 | 1 13/64 | 7/8 | 63/64 | 21/32 | 2 1/4 | 1 | 6.1 |
| 1VP65 | 2 | 6.5 | 1 13/64 | 7/8 | 63/64 | 21/32 | 2 1/4 | 1 | 6.8 |
| 1VP68 | 2 | 6.55 | 1 13/64 | 7/8 | 63/64 | 21/32 | 2 1/4 | 1 | 7.3 |
| 1VP71 | 2 | 7.1 | 1 13/64 | 7/8 | 63/64 | 21/32 | 2 1/4 | 1 | 8.2 |
| 1VP75 | 2 | 7.5 | 1 13/64 | 7/8 | 63/64 | 21/32 | 2 1/4 | 1 | 9.2 |


公司名称:上海迈动机电设备有限公司
公司地址:上海青浦工业区崧海路98号
邮政编码:201703
公司电话:021-54422420
公司传真:021-54422420-801
邮箱:shmidon@126.com
户名:上海迈动机电设备有限公司
税号:310112660703692
开户行:工行上海莘庄支行
账号:1001140209007024765
电话:021-54422420 54422402
传真:021-54422420-801
地址:上海莘庄工业园区申富路128号(开票)
地址:上海青浦工业园区崧海路98号(收货地址)
上海迈动机电设备有限公司提供17%的增值税发票;
品质100%保证,让你更放心使用。
ADD:上海迈动机电设备有限公司 备案号:沪ICP备15037005
TEL:86-021-54422420,021-544227902 ,021-54422402 MB:13818829143,17701898099