86-021-54422420 13818829143
86-021-54422402 17701898099
All products
联轴器 Coupling
传动轮 Pulley
胀套 Lock
丝杆导轨 ScrewGuide
离合制动器 Clutch
传动器 Actuators
皮带 Belt
电机 Motor
轴承 Bearing


【迈动工业】SFI 滚珠丝杆:
是一款使用最广泛的滚珠丝杆之一,精度可做到7级到3级之间,应客户需要做成研磨级。具体参数如下:
【动工业】轧制滚珠丝杆的优点:
1.寿命高:由于冷撞压成形,丝杠,牙纹表面组织变的更加致密,耐磨性更高。
2.光洁度好:由于冷撞压成形,丝杠,牙纹表面组织变的更加致密,因此有极好的表面光洁度。
3.缺口敏感性降低:由于冷撞压成形,原材料的纤维设断。
4.优异的尺寸精度:通过模具挤压成形,每根工件的尺寸基本一致,丝杠、螺栂 的互换性好。
5.合理的制造工艺:工件长度不爱机床长度的限制。
6. 生产周期相对较短:由于大批量自动化生产,因此常备库存,按客户要求加工限可。
7. 更经济:适合大批量自动化生产的需要,降低人力资源和成本。
如若要精度更高的产品,请见我们的研磨丝杆

通过返向器完成滚珠循环,设计简洁、加工容易,适合部空间較较小之机械装配

使用顶级钢材原料、投入国内专业人才研发制造,使轧制丝杠达到高精度水准。



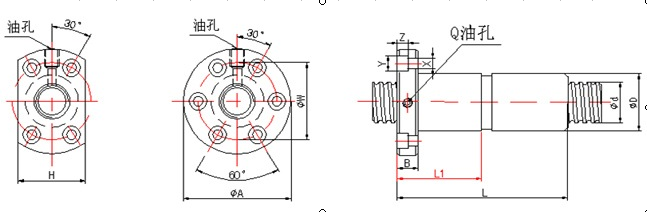
【迈动工业】DFI 双螺母法兰形滚轧丝杆

【迈动工业】DFI 双螺母法兰形滚珠丝杆的优点: 1.寿命高:由于冷撞压成形,丝杠,牙纹表面组织变的更加致密,耐磨性更高。 2.光洁度好:由于冷撞压成形,丝杠,牙纹表面组织变的更加致密,因此有极好的表面光洁度。 3.缺口敏感性降低:由于冷撞压成形,原材料的纤维设断。 4.优异的尺寸精度:通过模具挤压成形,每根工件的尺寸基本一致,丝杠、螺栂 的互换性好。 5.合理的制造工艺:工件长度不爱机床长度的限制。 6. 生产周期相对较短:由于大批量自动化生产,因此常备库存,按客户要求加工限可。 7. 更经济:适合大批量自动化生产的需要,降低人力资源和成本。 如若要精度更高的产品,请见我们的研磨丝杆
| |||||||||||||||||
| 规格型号 | 公称直径 | 导程 | 钢球直径 | 螺帽安装链接尺寸(MM) | 滚珠圈数 | 动额定负荷CaKN | 静额定负荷CoKN | 刚性KN/μm | |||||||||
| D | A | B | L | W | H | X | Y | Z | Q | ||||||||
| *DFI 1604-4 | 16 | 4 | 2.38 | 30 | 49 | 10 | 80 | 39 | 34 | 4.5 | 8 | 4.5 | M6 | 4 | 640 | 1340 | 35 |
| *DFI 1605-4 | 5 | 3.18 | 30 | 49 | 10 | 100 | 39 | 34 | 4.5 | 8 | 4.5 | M6 | 4 | 780 | 1790 | 36 | |
| DFI 2004-4 | 20 | 4 | 2.38 | 34 | 57 | 11 | 80 | 45 | 40 | 5.5 | 9.5 | 5.5 | M6 | 4 | 670 | 1480 | 41 |
| *DFI 2005-4 | 5 | 3.18 | 34 | 57 | 11 | 101 | 45 | 40 | 5.5 | 9.5 | 5.5 | M6 | 4 | 1130 | 2380 | 45 | |
| DFI 2504-4 | 25 | 4 | 2.38 | 40 | 63 | 11 | 80 | 51 | 46 | 5.5 | 9.5 | 5.5 | M6 | 4 | 760 | 1950 | 48 |
| *DFI 2505-4 | 5 | 3.18 | 40 | 63 | 11 | 101 | 51 | 46 | 5.5 | 9.5 | 5.5 | M8 | 4 | 1280 | 3110 | 63 | |
| *DFI 2510-4 | 10 | 4.76 | 46 | 72 | 12 | 145 | 58 | 52 | 6.5 | 11 | 6.5 | M6 | 4 | 1944 | 3877 | 65 | |
| DFI03204-4 | 32 | 4 | 2.38 | 46 | 72 | 12 | 80 | 58 | 52 | 6.5 | 11 | 6.5 | M6 | 4 | 860 | 3050 | 56 |
| *DFI 3205-4 | 5 | 3.18 | 46 | 72 | 12 | 102 | 58 | 52 | 6.5 | 11 | 6.5 | M8 | 4 | 1450 | 4150 | 72 | |
| *DFI 3210-4 | 10 | 6.35 | 54 | 88 | 15 | 162 | 70 | 62 | 9 | 14 | 8.5 | M8 | 4 | 3390 | 7170 | 72 | |
| *DFI 4005-4 | 40 | 5 | 3.18 | 56 | 90 | 15 | 105 | 72 | 64 | 9 | 14 | 8.5 | M8 | 4 | 1610 | 5330 | 98 |
| *DFI 4010-4 | 10 | 6.35 | 62 | 104 | 18 | 165 | 82 | 70 | 11 | 17.5 | 11 | M8 | 4 | 3910 | 9520 | 90 | |
| DFI 5010-4 | 50 | 10 | 6.35 | 72 | 114 | 18 | 171 | 92 | 82 | 11 | 17.5 | 11 | M8 | 4 | 4450 | 12500 | 117 |
| *DFI 6310-4 | 63 | 10 | 6.35 | 85 | 131 | 22 | 182 | 107 | 95 | 14 | 20 | 13 | M8 | 4 | 5070 | 16600 | 114 |
| *DFI 8010-4 | 80 | 10 | 6.35 | 105 | 150 | 22 | 182 | 127 | 115 | 14 | 20 | 13 | M8 | 4 | 5620 | 21300 | 162 |
| 注 有标注*记号者可制作左螺纹 | |||||||||||||||||


公司名称:上海迈动机电设备有限公司
公司地址:上海青浦工业区崧海路98号
邮政编码:201703
公司电话:021-54422420
公司传真:021-54422420-801
邮箱:shmidon@126.com
户名:上海迈动机电设备有限公司
税号:310112660703692
开户行:工行上海莘庄支行
账号:1001140209007024765
电话:021-54422420 54422402
传真:021-54422420-801
地址:上海莘庄工业园区申富路128号(开票)
地址:上海青浦工业园区崧海路98号(收货地址)
上海迈动机电设备有限公司提供17%的增值税发票;
品质100%保证,让你更放心使用。
ADD:上海迈动机电设备有限公司 备案号:沪ICP备15037005
TEL:86-021-54422420,021-544227902 ,021-54422402 MB:13818829143,17701898099

