86-021-54422420 13818829143
86-021-54422402 17701898099
All products
联轴器 Coupling
传动轮 Pulley
胀套 Lock
丝杆导轨 ScrewGuide
离合制动器 Clutch
传动器 Actuators
皮带 Belt
电机 Motor
轴承 Bearing

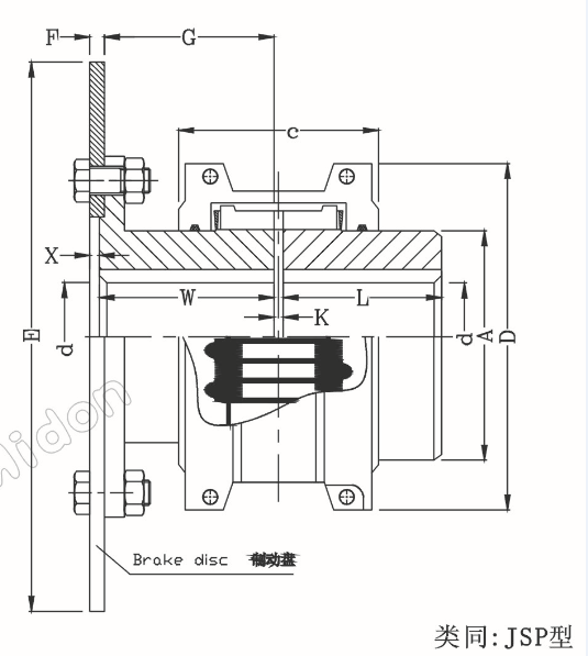
JSP系列 迈动弹簧联轴器(盘制动式),是一种设计优秀的非金属性联轴器,靠蛇形弹簧片来传送扭矩。其减振功能好,运用时间长,负荷变化量大,起动保险;传动效力高,运转牢靠,噪音低,光滑好,设计简洁,装拆便捷,答应有较大的装配偏偏向。
特点:
1、可满足盘制动刹车功能;
2、柔性启动,使用寿命长,良好的减振、吸振、缓冲特性;
3、安装参照JSA系列的方法,多用于煤矿、冶金设备上;
4、常用于大型矿山、冶金设备上。

| 型号 | 公称扭矩 | 许用转速 | 轴孔 | D | 制动盘 | 主要尺寸 | 重量 | 注油量 | |||||
| Type | Tr n.m | r/min | d max | E*F | L | A | G | W | C | X | kg | oil kg | |
| JSP01 | 10 | 4500 | 28 | 98 | 205*20 | 52 | 40 | 62 | 62 | 70 | 19 | 8 | 0.03 |
| JSP02 | 35 | 4500 | 35 | 110 | 255*20 | 52 | 50 | 62 | 62 | 70 | 19 | 11 | 0.03 |
| JSP03 | 65 | 45000 | 42 | 120 | 255*20 | 52 | 55 | 62 | 62 | 74 | 19 | 12 | 0.06 |
| JSP04 | 117 | 4200 | 48 | 138 | 255*20 | 62 | 65 | 62 | 62 | 80 | 21 | 15 | 0.06 |
| JSP05 | 207 | 3800 | 55 | 155 | 315*20 | 62 | 75 | 87 | 87 | 95 | 23 | 20 | 0.09 |
| JSP06 | 328 | 3300 | 65 | 170 | 315*20 | 82 | 90 | 87 | 87 | 96 | 23 | 25 | 0.09 |
| JSP07 | 630 | 2800 | 75 | 195 | 315*20 | 112 | 105 | 87 | 87 | 120 | 23 | 33 | 0.17 |
| JSP08 | 1000 | 2700 | 85 | 212 | 400*30 | 112 | 125 | 87 | 87 | 124 | 33 | 57 | 0.26 |
| JSP09 | 1800 | 2500 | 100 | 248 | 400*30 | 142 | 140 | 122 | 122 | 160 | 35 | 80 | 0.43 |
| JSP10 | 2800 | 2300 | 110 | 274 | 450*30 | 142 | 160 | 147 | 147 | 166 | 38 | 97 | 0.51 |
| JSP11 | 4300 | 2100 | 125 | 324 | 500*30 | 142 | 180 | 147 | 147 | 190 | 38 | 124 | 0.74 |
| JSP12 | 6000 | 1800 | 150 | 368 | 560*30 | 172 | 220 | 152 | 152 | 190 | 38 | 184 | 0.91 |
| JSP13 | 8700 | 1600 | 180 | 400 | 630*30 | 172 | 256 | 152 | 152 | 200 | 42 | 244 | 1.14 |
| JSP14 | 12000 | 1500 | 200 | 458 | 760*30 | 212 | 270 | 182 | 182 | 275 | 42 | 360 | 1.9 |
| JSP15 | 16000 | 1300 | 220 | 500 | 915*30 | 212 | 305 | 197 | 197 | 275 | 42 | 573 | 2.8 |

公司名称:上海迈动机电设备有限公司
公司地址:上海青浦工业区崧海路98号
邮政编码:201703
公司电话:021-54422420
公司传真:021-54422420-801
邮箱:shmidon@126.com
户名:上海迈动机电设备有限公司
税号:310112660703692
开户行:工行上海莘庄支行
账号:1001140209007024765
电话:021-54422420 54422402
传真:021-54422420-801
地址:上海莘庄工业园区申富路128号(开票)
地址:上海青浦工业园区崧海路98号(收货地址)
上海迈动机电设备有限公司提供17%的增值税发票;
品质100%保证,让你更放心使用。
ADD:上海迈动机电设备有限公司 备案号:沪ICP备15037005
TEL:86-021-54422420,021-544227902 ,021-54422402 MB:13818829143,17701898099