All products
联轴器 Coupling
传动轮 Pulley
胀套 Lock
丝杆导轨 ScrewGuide
离合制动器 Clutch
传动器 Actuators
皮带 Belt
电机 Motor
轴承 Bearing

GEC-紧凑型弹性联轴器 弹性联轴器参数 联轴器厂家
采用全车削钢以及标准磷化处理制作。维护时,不需要移除联轴器。适于在高温条件下工作。静平衡,适于吸收振动。最高防护能力。
GEC联轴器由两个全车削UNI EN10083/98钢制中心本体组成。采用钢制高电阻径向销连接这两个中心本体,径向销底座位于弹性元件内。径向销在相应弹性元件内,通过外部带条保护径向销,给予了联轴器高等级的保护。这种构造特点,让用户可以在不需要移除两个传动中心本体/轴的情况下,替换弹性元件进行维护工作,降低了保养时间,优化了设备生产能力。特别适于连接培尔顿水轮机,作为发动机和蜗杆式压缩机之间的联轴器,还适合需要高度安全性,同时又不降低相同传动的质量和有效性的传动。
优势和特点:高转矩,传动时传无声,维护无需移动联轴器,适于频繁驱动逆转或者高温(>150℃),偏差中等补偿。
该联轴器弹性元件的主要特点如下所示:对所有常见润滑油和液压液有良好的耐性。最佳机械特性。适于在高达170。C条件下短期运转的环保元件。
该联轴器不需要遵照特定组装规程。尽可能提高径向和轴向的对准精确可以最大程度地吸收偏差,而且把联轴器的使用寿命提高到最大。
在完成联轴器预先装配工作后,在一个轴上插入外部半中心本体。检查两轴的外部不超过相对半中心本体的表面(在图中标为“N”),并采用相关固定系统,固定该半中心本体至轴。把第二个轴插入内部半中心本体,封闭第二轴,其长度不应高于开孔的长度(在图中标为“N”)。如果由于偏差较大,插入困难,建议松开所有连接销,让两个半中心本体之间有更高的灵活性在插入且固定中心本体后,取走每个连接销,用乐泰(一种美国胶水品牌)螺丝固定剂湿润连接销,然后按照交叉顺序,重新仔细装上且固定。用保护带条覆盖连接销,让带条的孔洞与相应紧锁球体一致。
GEC-紧凑型弹性联轴器简介:由钢制成,经过标准磷化处理。在不拆卸联轴器的情况下进行维护适合在高温下工作。 静态平衡,适合吸收振动。 最高防护等级。
出色的扭矩/尺寸值。要求42提供各种轮毂连接类型。 特殊处理或铝制版本完全可用。 根据特定需求定制版本,包括集线器/法兰连接。可以连接到扭矩限制器(安全联轴器)范围。GEC联轴器由两个完全转动的UNI EN ISO 683-1:2018钢轮毂组成。这两个轮毂由径向销连接由高电阻钢制成,并固定在弹性体元件内。
这些销钉及其相关的弹性元件由外部带保护,使联轴器具有高等级的保护。这种结构特征使用户能够通过更换弹性元件进行维护,而无需移动
两个传动轮毂/轴,减少维护时间,提高工厂生产率。特别适用于连接冲击式水轮机、发动机和蜗杆压缩机之间的联接,以及一般的传动
在不损害同一变速器的质量和效率的情况下,安全性是非常必要的。弹性体元件的描述,这种弹性元件的主要特征如下:对所有常见润滑剂和液压油具有良好的耐受性。最佳机械性能。绿色元件适合在高达170°C的短时间内运行。尺寸标注,对于联轴器尺寸的预选,您可以使用第6页所示的通用公式。或者,可以确定


GEC-紧凑型弹性联轴器 弹性联轴器参数 联轴器厂家
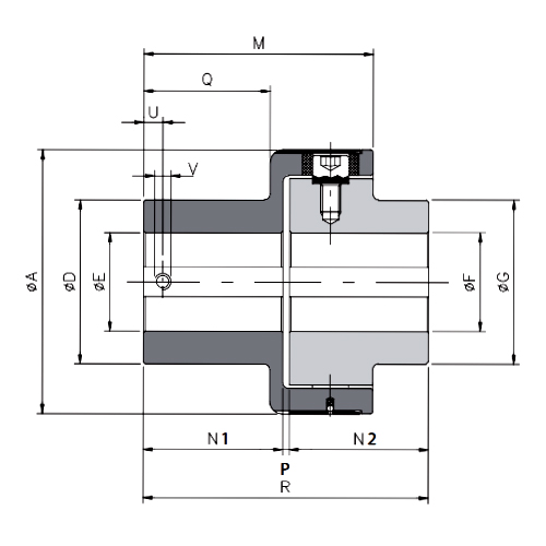
| 尺寸 | A | D | EH7 | FH7 | G | M | N1 | N2 | P | Q | R | U | V | ||
| 导向 | 最大 | 导向 | 最大 | ||||||||||||
| 00 | 63 | 42 | 8 | 28 | 5 | 24 | 42 | 52 | 24 | 25 | 2 | 18 | 50 | 8 | M4 |
| 0 | 78 | 50 | 10 | 35 | 10 | 35 | 50 | 63.5 | 32 | 3.5 | 28 | 67.5 | 10 | M5 | |
| 1 | 108 | 70 | 12 | 48 | 12 | 48 | 70 | 89 | 49 | 4 | 44 | 102 | 12 | M6 | |
| 2 | 130 | 80 | 15 | 55 | 15 | 55 | 80 | 111 | 65 | 4 | 59 | 134 | 15 | M8 | |
| 3 | 161 | 100 | 15 | 68 | 15 | 68 | 100 | 140 | 85 | 4 | 77 | 174 | 15 | M8 | |
| 4 | 206 | 120 | 20 | 80 | 20 | 80 | 120 | 168 | 105 | 4 | 97 | 214 | 20 | M10 | |
| 5 | 239 | 135 | 30 | 90 | 30 | 90 | 135 | 201 | 130 | 4 | 120 | 264 | 20 | M10 | |
| 6 | 315 | 215 | 40 | 150 | 40 | 120 | 175 | 260 | 165 | 5 | 150 | 335 | 25 | M12 | |
| 7 | 364 | 240 | 40 | 165 | 40 | 145 | 210 | 310 | 205 | 5 | 185 | 415 | 25 | M12 | |
| ... | 610 | 320 | 80 | 220 | 80 | 220 | 320 | - | 535 | - | |||||
| 尺寸 | 扭力(Nm) | 重量 kg | 惯性 kgm | 最大转速 Rpm | 工作温度 °C | 弹性元件 硬度 | 偏差 | ||||||
| 标称 | 最大 | 角度a | 轴向X | 径向K | |||||||||
| 连续 | 间断 | 连续 | 间断 | 连续 | 间断 | ||||||||
| 00 | 35 | 50 | 0.8 | 0.00045 | 6000 | -15~+150 | 74±3 | 1° | 1° 30 | ±0.7 | ±1.5 | 0.5 | 0.7 |
| 0 | 70 | 110 | 1.5 | 0.00124 | 5500 | 1° | 1° 30 | ±0.7 | ±1.5 | 0.5 | 0.7 | ||
| 1 | 280 | 420 | 4.2 | 0.00633 | 5000 | 0° 48 | 1° | ±0.7 | ±1.5 | 0.5 | 0.7 | ||
| 2 | 570 | 860 | 7.7 | 0.01592 | 4500 | 0° 36 | 0° 48 | ±0.7 | ±1.5 | 0.6 | 0.7 | ||
| 3 | 980 | 1500 | 14.2 | 0.04666 | 4000 | 0° 30 | 0° 42 | ±0.8 | ±1.6 | 0.6 | 0.8 | ||
| 4 | 2340 | 3600 | 22.6 | 0.12546 | 3100 | 0° 24 | 0° 30 | ±0.8 | ±1.6 | 0.6 | 0.8 | ||
| 5 | 3880 | 5800 | 36 | 0.26035 | 2800 | 0° 24 | 0° 30 | ±0.8 | ±1.6 | 0.6 | 0.8 | ||
| 6 | 15000 | 20000 | 118 | 0.88951 | 2000 | 0° 24 | 0° 30 | ±0.8 | ±1.6 | 0.6 | 0.8 | ||
| 7 | 30000 | 35000 | 128.4 | 1.77108 | 1500 | 0° 24 | 0° 30 | ±0.8 | ±1.6 | 0.6 | 0.8 | ||
| ... | 90000 | 105000 | - | ||||||||||
公司名称:上海迈动机电设备有限公司
公司地址:上海青浦工业区崧海路98号
邮政编码:201703
公司电话:021-54422420
公司传真:021-54422420-801
邮箱:shmidon@126.com
户名:上海迈动机电设备有限公司
税号:310112660703692
开户行:工行上海莘庄支行
账号:1001140209007024765
电话:021-54422420 54422402
传真:021-54422420-801
地址:上海莘庄工业园区申富路128号(开票)
地址:上海青浦工业园区崧海路98号(收货地址)
上海迈动机电设备有限公司提供17%的增值税发票;
品质100%保证,让你更放心使用。
ADD:上海迈动机电设备有限公司 备案号:沪ICP备15037005
TEL:86-021-54422420,021-544227902 ,021-54422402 MB:13818829143,17701898099