86-021-54422420 13818829143
86-021-54422402 17701898099

F-SM轮胎联轴器——以柔性消弭冲击,凭耐久驾驭极端,让传动更静、更稳、更省心!
F-SM轮胎联轴器核心卖点与优势:
1. 卓越减震缓冲,?;ど璞甘倜? 高弹性轮胎体: 采用优质橡胶/聚氨酯材质,高效吸收冲击与振动,降低设备应力损伤。
噪音抑制:减少传动系统噪音,适用于精密机械与高要求工业场景。
2. 强偏差补偿,安装更灵活,多向补偿能力:最大容许轴向、径向、角向偏差,轻松应对安装误差与轴位移。
免精密对中:降低安装成本与时间,尤其适合长轴系或复杂工况。
3. 耐久抗恶劣,全天候可靠耐候性材料:抗油污、耐高温(-40℃~+80℃)、防腐蚀,适应矿山、冶金等极端环境。
免维护设计:无润滑需求,减少停机维护,提升生产效率。
4. 轻量化高扭矩,节能增效,低惯量结构:轻质设计降低启动能耗,助力节能减排。
大扭矩传递:优化胎体花纹与骨架层,确保高转速下稳定传输动力。
5. 泛行业适配,替换无忧,多场景通用:泵机、风机、压缩机、输送设备等领域的理想选择。
兼容性强:支持非标定制,匹配国内外主流联轴器接口,快速替换升级。


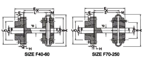
| Size | DBSE X | A | B | C | D | E | F | G | H | J | d | L | M | Bush Size Max Bore | |
| Dp | Dm | ||||||||||||||
| F40-SM12-80 | 80 | 104 | 82 | 118 | 83 | 134 | 25 | 14 | 15 | 14 | 25 | 65 | 22 | 1008-25 | 1210-32 |
| F40-SM12-100 | 100 | 104 | 82 | 118 | 83 | 150 | 25 | 14 | 15 | 14 | 25 | 78 | 22 | 1008-25 | 1210-32 |
| F50-SM12-100 | 100 | 133 | 79 | 118 | 83 | 153 | 25 | 14 | 12 | 14 | 25 | 78 | 25 | 1210-32 | 1210-32 |
| F50-SM16-100 | 100 | 133 | 79 | 127 | 80 | 156 | 25 | 18 | 15 | 14 | 32 | 78 | 25 | 1210-32 | 1615-42 |
| F50-SM16-140 | 140 | 133 | 79 | 127 | 80 | 206 | 25 | 18 | 15 | 14 | 32 | 118 | 25 | 1210-32 | 1615-42 |
| F60-SM16-100 | 100 | 165 | 70 | 127 | 80 | 156 | 25 | 18 | 15 | 14 | 32 | 78 | 33 | 1610-42 | 1615-42 |
| F60-SM16-140 | 140 | 165 | 70 | 127 | 80 | 206 | 25 | 18 | 16 | 14 | 32 | 118 | 33 | 1610-42 | 1615-42 |
| F70-SM25-100 | 100 | 187 | 80 | 178 | 123 | 179 | 45 | 22 | 16 | 19 | 48 | 79 | 21 | 2012-50 | 2517-60 |
| F70-SM25-140 | 140 | 187 | 80 | 178 | 123 | 218 | 45 | 22 | 16 | 19 | 48 | 119 | 21 | 2012-50 | 2517-60 |
| F70-SM25-180 | 180 | 187 | 80 | 178 | 123 | 259 | 45 | 22 | 16 | 19 | 48 | 159 | 21 | 2012-50 | 2517-60 |
| F70-SM25-250 | 250 | 187 | 80 | 178 | 123 | 326 | 45 | 22 | 16 | 19 | 48 | 229 | 21 | 2012-50 | 2517-60 |
| F80-SM25-140 | 140 | 211 | 95 | 178 | 123 | 232 | 45 | 22 | 16 | 19 | 48 | 117 | 25 | 2517-60 | 2517-60 |
| F80-SM25-180 | 160 | 211 | 95 | 178 | 123 | 272 | 45 | 22 | 16 | 19 | 48 | 157 | 25 | 2517-60 | 2517-60 |
| F80-SM25-250 | 250 | 211 | 95 | 178 | 123 | 342 | 45 | 22 | 16 | 19 | 48 | 227 | 25 | 2517-60 | 2517-60 |
| F90-SM25-140 | 140 | 235 | 108 | 178 | 123 | 231 | 45 | 22 | 16 | 19 | 48 | 114 | 27 | 2517-60 | 2517-60 |
| F90-SM25-180 | 180 | 235 | 106 | 178 | 123 | 271 | 45 | 22 | 16 | 19 | 48 | 154 | 27 | 2517-60 | 2517-60 |
| F90-SM30-140 | 140 | 235 | 108 | 216 | 146 | 237 | 51 | 29 | 20 | 28 | 60 | 114 | 27 | 2517-60 | 3020-75 |
| F90-SM30-180 | 180 | 235 | 108 | 216 | 146 | 277 | 51 | 29 | 20 | 28 | 60 | 154 | 27 | 2517-60 | 3020-75 |
| F90-SM30-250 | 250 | 235 | 108 | 216 | 146 | 347 | 51 | 29 | 20 | 28 | 60 | 224 | 27 | 2517-60 | 3020-75 |
| F100-SM30-140 | 140 | 254 | 120 | 216 | 146 | 245 | 51 | 29 | 20 | 28 | 60 | 114 | 27 | 3020-75 | 3020-75 |
| F100-SM30-180 | 180 | 254 | 120 | 216 | 146 | 285 | 51 | 29 | 20 | 28 | 60 | 154 | 27 | 3020-75 | 3020-75 |
| F100-SM30-140 | 140 | 254 | 120 | 216 | 146 | 355 | 51 | 29 | 20 | 28 | 60 | 224 | 27 | 3020-75 | 3020-75 |
| F110-SM30-140 | 140 | 279 | 134 | 216 | 146 | 245 | 51 | 29 | 20 | 28 | 60 | 118 | 25 | 3020-75 | 3020-75 |
| F110-SM30-180 | 180 | 279 | 134 | 216 | 146 | 285 | 51 | 29 | 20 | 28 | 60 | 158 | 25 | 3020-75 | 3020-75 |
| F110-SM30-250 | 250 | 279 | 134 | 216 | 146 | 366 | 51 | 29 | 20 | 28 | 60 | 228 | 25 | 3020-75 | 3020-75 |
| F110-SM35-140 | 140 | 279 | 134 | 248 | 178 | 259 | 65 | 34 | 20 | 28 | 80 | 118 | 25 | 3020-75 | 3525-100 |
| F110-SM35-180 | 180 | 279 | 134 | 248 | 178 | 299 | 65 | 34 | 20 | 28 | 80 | 158 | 25 | 3020-75 | 3525-100 |
| F110-SM35-250 | 250 | 279 | 134 | 248 | 178 | 369 | 65 | 34 | 20 | 28 | 80 | 228 | 25 | 3020-75 | 3525-100 |
| F120-SM35-140 | 140 | 314 | 1403 | 248 | 178 | 273 | 65 | 34 | 20 | 28 | 80 | 114 | 27 | 3525-100 | 3525-100 |
| F120-SM35-180 | 180 | 314 | 140 | 248 | 178 | 313 | 65 | 34 | 20 | 28 | 80 | 154 | 27 | 3525-100 | 3525-100 |
| F120-SM35-250 | 250 | 314 | 140 | 248 | 178 | 383 | 65 | 34 | 20 | 28 | 80 | 224 | 27 | 3525-100 | 3525-100 |
| F140-SM35-140 | 140 | 359 | 178 | 248 | 178 | 312 | 65 | 34 | 20 | 28 | 80 | 150 | 22 | 3525-100 | 3525-100 |
| F140-SM35-250 | 250 | 359 | 178 | 248 | 178 | 382 | 65 | 34 | 20 | 28 | 80 | 220 | 22 | 3525-100 | 3525-100 |
POWER RATINGS (KW)/额定功率(千瓦)
| Speed rev/min 速度转/分 | SIZE COUPLING/联轴器规格 | ||||||||||||||
| F40 | F50 | F60 | F70 | F80 | F90 | F100 | F110 | F120 | F140 | F160 | F180 | F200 | F220 | F250 | |
| 100 | 0.25 | 0.69 | 1.33 | 2.62 | 3.93 | 5.24 | 7.07 | 9.16 | 13.9 | 24.3 | 39.5 | 65.7 | 97.6 | 121 | 154 |
| 200 | 0.50 | 1.38 | 2.66 | 5.24 | 7.85 | 10.5 | 14.1 | 18.3 | 27.9 | 48.7 | 79.0 | 131 | 195 | 243 | 307 |
| 300 | 0.75 | 2.07 | 3.99 | 7.85 | 11.8 | 15.7 | 21.2 | 27.5 | 41.8 | 73.0 | 118 | 197 | 293 | 364 | 461 |
| 400 | 1.01 | 2.76 | 5.32 | 10.5 | 15.7 | 20.9 | 28.3 | 36.6 | 55.7 | 97.4 | 158 | 263 | 391 | 486 | 615 |
| 500 | 1.26 | 3.46 | 6.65 | 13.1 | 19.6 | 26.2 | 35.3 | 45.8 | 69.6 | 122 | 197 | 328 | 488 | 607 | 768 |
| 600 | 1.51 | 4.15 | 7.98 | 15.7 | 23.6 | 31.4 | 42.4 | 55.0 | 83.6 | 146 | 237 | 394 | 586 | 729 | 922 |
| 700 | 1.76 | 4.84 | 9.31 | 18.3 | 27.5 | 36.6 | 49.5 | 64.1 | 97.5 | 170 | 276 | 460 | 684 | 850 | 1076 |
| 720 | 1.81 | 4.98 | 9.57 | 18.8 | 28.3 | 37.7 | 50.9 | 66.0 | 100 | 175 | 284 | 473 | 703 | 875 | 1106 |
| 800 | 2.01 | 5.53 | 10.6 | 20.9 | 31.4 | 41.9 | 56.5 | 73.3 | 111 | 195 | 316 | 525 | 781 | 972 | 1229 |
| 900 | 2.26 | 6.22 | 12.0 | 23.6 | 35.3 | 47.1 | 63.6 | 82.5 | 125 | 219 | 355 | 591 | 879 | 1093 | 1383 |
| 960 | 2.41 | 6.63 | 12.8 | 25.1 | 37.7 | 50.3 | 67.9 | 88.0 | 134 | 234 | 379 | 630 | 937 | 1166 | 1475 |
| 1000 | 2.51 | 6.91 | 13.3 | 26.2 | 39.3 | 52.4 | 70.7 | 91.6 | 139 | 243 | 395 | 657 | 976 | 1215 | 1537 |
| 1200 | 3.02 | 8.29 | 16.0 | 31.4 | 47.1 | 62.8 | 84.8 | 110 | 167 | 292 | 474 | 788 | 1172 | ||
| 1400 | 3.52 | 9.68 | 18.6 | 36.6 | 55.0 | 73.3 | 99.0 | 128 | 195 | 341 | 553 | 919 | |||
| 1440 | 3.62 | 9.95 | 19.1 | 37.7 | 56.5 | 75.4 | 102 | 132 | 201 | 351 | 568 | 945 | |||
| 1600 | 4.02 | 11.1 | 21.3 | 41.9 | 62.8 | 83.8 | 113 | 147 | 223 | 390 | 632 | ||||
| 1800 | 4.52 | 12.4 | 23.9 | 47.1 | 70.7 | 94.2 | 127 | 165 | 251 | 438 | |||||
| 2000 | 5.03 | 13.8 | 26.6 | 52.4 | 78.5 | 105.5 | 141 | 183 | 279 | ||||||
| 2200 | 5.53 | 15.2 | 29.3 | 57.6 | 86.4 | 115 | 155 | 202 | |||||||
| 2400 | 6.03 | 16.6 | 31.9 | 62.8 | 94.2 | 126 | 170 | ||||||||
| 2600 | 6.53 | 18.0 | 34.6 | 68.1 | 102 | 136 | 184 | ||||||||
| 2800 | 7.04 | 19.4 | 37.2 | 73.3 | 110 | 147 | |||||||||
| 2880 | 7.24 | 19.9 | 38.3 | 75.4 | 113 | 151 | |||||||||
| 3000 | 7.54 | 20.7 | 39.9 | 78.5 | 118 | 157 | |||||||||
| 3600 | 9.05 | 24.9 | 47.9 | 94.2 | |||||||||||
| Nominal Torque(Nm) 额定扭矩(牛米) | 24 | 66 | 127 | 250 | 375 | 500 | 675 | 875 | 1330 | 2325 | 3770 | 6270 | 9325 | 11600 | 14675 |
| MAX Torque(Nm) 最大扭矩(牛米) | 64 | 160 | 318 | 487 | 759 | 1096 | 1517 | 2137 | 3547 | 5642 | 9339 | 16455 | 23508 | 33125 | 42740 |
应用范围广泛:
适用于数控机床、食品包装机械、冶金设备、光伏发电、木工机械设备、化工工业、半导体设备、食品机械、印刷机械、铁路轨道等。

公司名称:上海迈动机电设备有限公司
公司地址:上海青浦工业区崧海路98号
邮政编码:201703
公司电话:021-54422420
公司传真:021-54422420-801
邮箱:shmidon@126.com
户名:上海迈动机电设备有限公司
税号:310112660703692
开户行:工行上海莘庄支行
账号:1001140209007024765
电话:021-54422420 54422402
传真:021-54422420-801
地址:上海莘庄工业园区申富路128号(开票)
地址:上海青浦工业园区崧海路98号(收货地址)
上海迈动机电设备有限公司提供17%的增值税发票;
品质100%保证,让你更放心使用。