86-021-54422420 13818829143
86-021-54422402 17701898099
All products
联轴器 Coupling
传动轮 Pulley
胀套 Lock
丝杆导轨 ScrewGuide
离合制动器 Clutch
传动器 Actuators
皮带 Belt
电机 Motor
轴承 Bearing

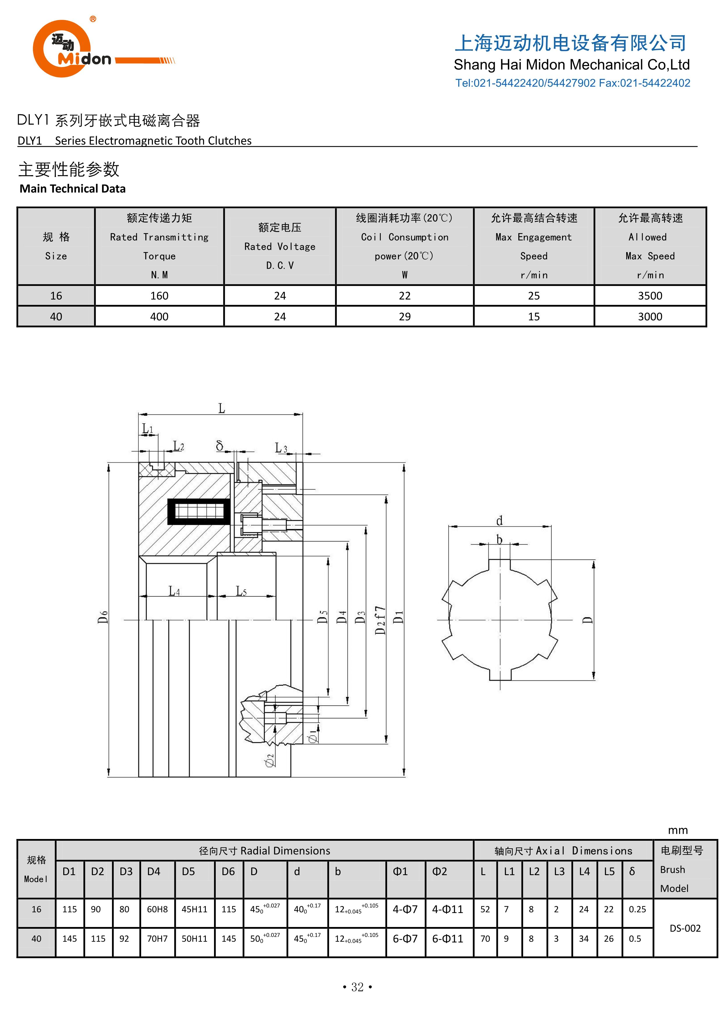
迈动工业牙嵌式离合器--用两半离合器端面上的牙互相嵌合或脱开以达到主、从动轴的离合、牙有矩形、梯形、三角形、锯齿形和螺旋形等几种形式。由于同时参与嵌合的牙数多,故承载较高,适用范围广泛.外形尺寸小,传递转矩大,接合后主从动轴无相对滑动,传动比不变。但接合时有冲击,适合于静止接合,或转速差较小时接合(对矩形牙转速差≤10r/min,对其余牙形≤300r/min),主要用于低速机械的传动轴系.


公司名称:上海迈动机电设备有限公司
公司地址:上海青浦工业区崧海路98号
邮政编码:201703
公司电话:021-54422420
公司传真:021-54422420-801
邮箱:shmidon@126.com
户名:上海迈动机电设备有限公司
税号:310112660703692
开户行:工行上海莘庄支行
账号:1001140209007024765
电话:021-54422420 54422402
传真:021-54422420-801
地址:上海莘庄工业园区申富路128号(开票)
地址:上海青浦工业园区崧海路98号(收货地址)
上海迈动机电设备有限公司提供17%的增值税发票;
品质100%保证,让你更放心使用。
ADD:上海迈动机电设备有限公司 备案号:沪ICP备15037005
TEL:86-021-54422420,021-544227902 ,021-54422402 MB:13818829143,17701898099