86-021-54422420 13818829143
86-021-54422402 17701898099
All products
联轴器 Coupling
传动轮 Pulley
胀套 Lock
丝杆导轨 ScrewGuide
离合制动器 Clutch
传动器 Actuators
皮带 Belt
电机 Motor
轴承 Bearing

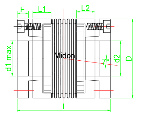
G2 高速联轴器 BKC高速联轴器 High speed coupling(规格:15-500)


特点:
高速可以达到:80000~30000转的高测试设备使用。
双侧无隙夹涨紧精密轴向结构,易安装
只用于空音受限的安装环境工况下。
设计:
左右双涨紧轴套结构,高同轴度安装到弹性波纹管上。
可承1.5倍的过载负荷。
具有破坏性的保护功能。
材料:航空铝,膜片:SUS304
| 型号 | 扭矩 | 最大 转速 | 总长 | 外径 | 配合长 | 最大孔 | 螺丝 | 锁紧力 | 螺边厚 | 紧 孔边距 | 惯量 | 抗 扭钢性 | 轴向 允差 | 径向 允差 | 角向 偏差 | 轴向 弹性 | 径向 弹性 | 重量 |
| TYPLE | n.m | R | L | D | L1/L2 | d | M | n.m | F | V | Kgm2 | nm/rad | n.m | n.m | o | N/MM | N/MM | KG |
| 15G2 | 15 | 80000 | 48 | 49 | 16.5 | 28 | M5 | 8 | 8 | 2 | 0.05 | 23 | 1 | 0.2 | 1 | 30 | 315 | 0.13 |
| 30G2 | 30 | 70000 | 60 | 56 | 24 | 32 | M6 | 15 | 8 | 3 | 0.1 | 31 | 1 | 0.2 | 1 | 50 | 366 | 0.21 |
| 60G2 | 60 | 60000 | 67 | 66 | 23 | 35 | M8 | 40 | 12 | 4 | 0.26 | 72 | 1.5 | 0.2 | 1 | 67 | 679 | 0.37 |
| 150G2 | 150 | 50000 | 78 | 82 | 27.5 | 42 | M10 | 75 | 14 | 4 | 0.65 | 141 | 2 | 0.2 | 1 | 77 | 960 | 0.72 |
| 300G2 | 300 | 40000 | 94 | 110 | 34 | 60 | M12 | 120 | 18 | 5 | 6.3 | 157 | 2 | 0.2 | 1 | 112 | 2940 | 3.26 |
| 500G2 | 500 | 30000 | 100 | 123 | 34 | 75 | M12 | 125 | 18 | 6 | 9 | 290 | 2.5 | 0.2 | 1 | 72 | 2200 | 3.52 |




公司名称:上海迈动机电设备有限公司
公司地址:上海青浦工业区崧海路98号
邮政编码:201703
公司电话:021-54422420
公司传真:021-54422420-801
邮箱:shmidon@126.com
户名:上海迈动机电设备有限公司
税号:310112660703692
开户行:工行上海莘庄支行
账号:1001140209007024765
电话:021-54422420 54422402
传真:021-54422420-801
地址:上海莘庄工业园区申富路128号(开票)
地址:上海青浦工业园区崧海路98号(收货地址)
上海迈动机电设备有限公司提供17%的增值税发票;
品质100%保证,让你更放心使用。
ADD:上海迈动机电设备有限公司 备案号:沪ICP备15037005
TEL:86-021-54422420,021-544227902 ,021-54422402 MB:13818829143,17701898099