
美标QD锥套:QD Bushing Specifications
【迈动工业】美标QD锥套它属于带锥度的开裂式内胀套。
【优特点】
美标QD锥套与TB锥套不同,它带有法兰,在端面锁紧,具有更大的承受负载能力,也可以满足更大的扭矩径向冲击。
同TB锥套一样,它也具有很优秀的装折快速,节时高效的能力。
同时也可以满足和弥补轴或轴孔子公差的精密,紧密传动配合能是,
是现代化机械设计中上等和优选的方安之一。
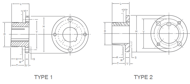
迈动工业QD锥套

G 和 H样图:

QD锥套:P~R样图

QD套:U, S, U1,UO,S样图

QD套:W , Y样图

QD 型号 Typ | Midon QD Bushes Dimensions | 内孔范围(小-大)Bore Range | 螺丝 Scrows | 约重 AV.Wt | 扭矩(磅)Torque | ||||||||||||
| 总长 L | 兰厚 U | 锥长 T | 锥台径 D | 外径 H | 分度圆 V | 键宽 W | 效长 X | 根长 R | 位长 S | 形样1 Type1 | 形样2 Type2 | 数 NO. | 螺丝形号 Size: | ||||
大径 Large | 小径 Small | ||||||||||||||||
| G | 1 | 1/4 | 3/4 | 1.172 | 1.133 | 2 | 1 9/16 | 1/4 | 5/8 | 1/8 | 3/16 | 3/8-15/16 | 1 | 2 | 1/4*5/8* | 5 | 95 |
| H | 1 1/4 | 1/4 | 1 | 1.625 | 1.570 | 2 1/2 | 2 | 3/8 | 7/8 | 1/8 | 3/16 | 3/8-1 3/8 | 1 7/16-1 1/2 | 2 | 1/4*3/4 | 8 | 95 |
| P1 | 1 15/16 | 13/32 | 1 17/32 | 1.9375 | 1.8555 | 3 | 2 7/16 | 3/8 | 1 5/16 | 7/32 | 1/4 | 1/2-1 7/16 | 1 1/2-1 3/4 | 3 | 5/16*1 | 1.3 | 192 |
| R | 2 15/16 | 13/32 | 2 17/32 | 1.9375 | 1.793 | 3 | 2 7/16 | 3/8 | 2 5/16 | 7/32 | 1/4 | 3/4-1 7/16 | 1 1/2-1 3/4 | 3 | 5/16*1 | 1.5 | 192 |
| P3 | 4 7/16 | 13/32 | 4 1/32 | 1.9375 | 1.6993 | 3 | 2 7/16 | 3/8 | 3 13/16 | 7/32 | 1/4 | 1 1/8-1 3/8 | 1 5/8 | 3 | 5/16*1 | 2 | 192 |
| B | 1 15/16 | 1/2 | 1 7/16 | 2.625 | 2.5508 | 3 11/16 | 3 1/8 | 1/2 | 1 3/16 | 1/4 | 1/4 | 1/2-1 15/16 | 2-2 7/16 | 3 | 5/16*1 1/4 | 1.8 | 192 |
| Q1 | 2 1/2 | 17/32 | 1 31/32 | 2.875 | 2.7657 | 4 1/8 | 3 3/8 | 1/2 | 1 3/4 | 7/32 | 9/32 | 3/4-2 1/16 | 2 1/8-2 11/16 | 3 | 3/8*1 1/4 | 3.5 | 348 |
| Q2 | 3 1/2 | 17/32 | 2 31/32 | 2.875 | 2.7032 | 4 1/8 | 3 3/8 | 1/2 | 2 3/4 | 7/32 | 9/32 | 1-2 1/16 | 2 1/8-2 5/8 | 3 | 3/8*1 1/4 | 5.5 | 348 |
| Q3 | 5 | 17/32 | 4 15/32 | 2.875 | 2.6094 | 4 1/8 | 3 3/8 | 1/2 | 4 1/4 | 7/32 | 9/32 | 1 3/8-2 1/16 | 2 1/8-2 1/2 | 3 | 3/8*1 1/4 | 6 | 348 |
| R1 | 2 7/8 | 5/8 | 2 1/4 | 4.000 | 3.875 | 5 3/8 | 4 5/8 | 3/4 | 2 | 1/4 | 9/32 | 1 1/8-2 13/16 | 2 7/8-3 3/4 | 3 | 3/8*1 3/4 | 9.2 | 348 |
| R2 | 4 7/8 | 5/8 | 4 1/4 | 4.000 | 3.750 | 5 3/8 | 4 5/8 | 3/4 | 4 | 1/4 | 9/32 | 1 3/8-2 13/16 | 2 7/8-3 5/8 | 3 | 3/8*1 3/4 | 13.7 | 348 |
| S1 | 4 3/8 | 3/4 | 3 5/8 | 4.625 | 4.418 | 6 3/8 | 5 3/8 | 3/4 | 3 5/16 | 5/16 | 3/8 | 1 11/16-3 3/16 | 3 1/4-4 1/4 | 3 | 1/2*2 1/4 | 14.5 | 840 |
| S2 | 6 3/4 | 3/4 | 6 | 4.625 | 4.2696 | 6 3/8 | 5 3/8 | 3/4 | 5 11/16 | 5/16 | 3/8 | 1 7/8-3 3/16 | 3 1/4-4 3/16 | 3 | 1/2*2 1/4 | 19.8 | 840 |
| UO | 5 1/4 | 1 | 4 3/16 | 6.000 | 5.7656 | 8 3/8 | 7 | 1 1/4 | 3 3/4 | 7/16 | 15/32 | 2 3/8-3 1/16 | 4 3/8-5 1/2 | 3 | 5/8*2 3/4 | 27.8 | 1680 |
| UO | 4 15/16 | 3/4 | 4 3/16 | 6.000 | 5.7656 | 8 3/8 | 7 | 1 1/4 | 3 3/4 | 7/16 | 15/32 | 3 1/4-4 1/4 | 4 3/8-5 1/2 | 3 | 5/8*2 3/4 | 22.4 | 1680 |
| U1 | 7 1/8 | 1 1/16 | 6 1/16 | 6.000 | 5.6485 | 8 3/8 | 7 | 1 1/4 | 5 5/8 | 7/16 | 15/32 | 2 3/8-4 1/4 | 4 3/8-5 1/2 | 3 | 5/8*2 3/4 | 33.7 | 1680 |
| U2 | 10 1/8 | 1 1/16 | 9 1/16 | 6.000 | 5.461 | 8 3/8 | 7 | 1 1/4 | 8 5/8 | 7/16 | 15/32 | 2 7/16-4 1/4 | 4 3/8-5 | 3 | 5/8*2 3/4 | 39.7 | 1680 |
| W1 | 8 1/4 | 1 7/16 | 6 13/16 | 8.500 | 8.1016 | 12 1/2 | 10 | 1 1/4 | 6 3/8 | 7/16 | 9/16 | 3 3/8-6 3/16 | 6 1/4-7 7/16 | 4 | 3/4*3 | 104 | 3000 |
| W2 | 11 1/4 | 1 7/16 | 9 13/16 | 8.500 | 7.9141 | 12 1/2 | 10 | 1 1/4 | 9 3/8 | 7/16 | 9/16 | 3 3/8-6 3/16 | 6 1/4-7 7/16 | 4 | 3/4*3 | 133 | 3000 |
| YO | 11 1/8 | 2 | 9 1/8 | 12.000 | 11.4688 | 16 1/2 | 14 1/2 | 2 | 8 1/2 | 5/8 | 5/8 | 6-7 15/16 | 8-10 | 4 | 1*5 | 270 | 7200 |
QD锥套 615糸列,采用ANSI标准
| 型号 | 公制孔范围 | 英制孔范围 |
| Typle | metric bore | inch bore |
| G | 10-25 | 3/4~2-11/16 |
| P1 | 14-42 | 1/2~1-3/4 |
| P2 | 19-36 | 3/4~1-11/16 |
| P3 | 25-55 | 1~2-1/8 |
| B | 11-60 | 1/2~2-7/16 |
| Q1 | 18-65 | 3/4~2-11/16 |
| Q2 | 25-65 | 1~2-9/16 |
| Q3 | 35-70 | 1 3/8-2 3/4 |
| R1 | 28-95 | 1-1/8~3-3/4 |
| R2 | 35-90 | 1-3/8~3-9/16 |
| S1 | 42-85 | 1-11/16~3-3/16 |
| S2 | 45-105 | 1 7/8-4 3/16 |
| U0 | 80-140 | 3 1/4-5 1/2 |
1/4

公司名称:上海迈动机电设备有限公司
公司地址:上海青浦工业区崧海路98号
邮政编码:201703
公司电话:021-54422420
公司传真:021-54422420-801
邮箱:shmidon@126.com
户名:上海迈动机电设备有限公司
税号:310112660703692
开户行:工行上海莘庄支行
账号:1001140209007024765
电话:021-54422420 54422402
传真:021-54422420-801
地址:上海莘庄工业园区申富路128号(开票)
地址:上海青浦工业园区崧海路98号(收货地址)
上海迈动机电设备有限公司提供17%的增值税发票;
品质100%保证,让你更放心使用。