86-021-54422420 13818829143
86-021-54422402 17701898099
All products
联轴器 Coupling
传动轮 Pulley
胀套 Lock
丝杆导轨 ScrewGuide
离合制动器 Clutch
传动器 Actuators
皮带 Belt
电机 Motor
轴承 Bearing

DLD系列单片电磁离合器
DLD-单片电磁离合器(通电结合、断电分离)系无滑环干式、通电型工作的单片电磁离合器,线圈不旋转,一个摩擦副,结构紧凑,传递力矩大,响应迅速,无空载损耗。
适用于高频动作的机械传动系统,可在主动部分运转的情况下,使从动部分与主动部分结合或分离。广泛适用于包装机械、印刷机械、纺织机械、轻工机械、及办公机械中。
DLD系列单片电磁离合器
| 型号 | 额定力矩 | 额定功率 | 输入电压 | 接通时间 | 断开时间 | 参考最高转速 |
| M[N.m] 2) | P20℃[W] | UDC[V] 3) | T1[ms] | T2[ms] | [rpm] | |
| DLD-0.6 | 6 | 15 | 24 | 55 | 15 | 3600 |
| DLD-1.2 | 12 | 16 | 24 | 75 | 25 | 3600 |
| DLD-2.5 | 25 | 23 | 24 | 120 | 35 | 3000 |
| DLD-5 | 50 | 35 | 24 | 140 | 45 | 3000 |
| DLD-10 | 100 | 40 | 24 | 230 | 60 | 2500 |
| DLD-16 | 160 | 45 | 24 | 250 | 90 | 2500 |
| DLD-25 | 250 | 54 | 24 | 303 | 170 | 2500 |
| DLD-32 | 320 | 60 | 24 | 380 | 200 | 2000 |
| DLD-50 | 500 | 80 | 24 | 450 | 260 | 2000 |
| DLD-100 | 1000 | 100 | 24 | 505 | 330 | 1500 |
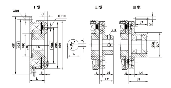
| 型号 | d | D1 | D2 | D3 | D4 | D5 | D6 | D7 | D8 | D9 | D10 | b | h |
| DLD-0.6 | 15 | 80 | 72 | 35 | 68 | 64 | 50 | 38 | 12 | 4-4.3 | 3-4.1 | 5 | 17.3 |
| DLD-1.2 | 20 | 105 | 95 | 42 | 90 | 85 | 66 | 45 | 15 | 4-5.5 | 3-4.1 | 6 | 22.8 |
| DLD-2.5 | 25 | 130 | 110 | 52 | 112 | 105 | 80 | 55 | 20 | 4-5.5 | 3-5.2 | 8 | 28.3 |
| DLD-5 | 30 | 158 | 147.5 | 62 | 145 | 137 | 101 | 64 | 25 | 6-5.5 | 3-6.2 | 8 | 33.3 |
| DLD-10 | 35 | 190 | 175 | 80 | 169 | 160 | 120 | 75 | 30 | 4-9 | 3-8.2 | 10 | 38.3 |
| DLD-16 | 43 | 230 | 215 | 100 | 213 | 200 | 158 | 90 | 40 | 4-9 | 3-10.2 | 12 | 46.3 |
| DLD-25 | 50 | 270 | 250 | 110 | 245 | 230 | 182 | 98 | 40 | 4-9 | 3-10.2 | 14 | 53.8 |
| DLD-32 | 55 | 290 | 270 | 120 | 267 | 250 | 210 | 118 | 45 | 4-11 | 3-12.2 | 16 | 59.3 |
| DLD-50 | 60 | 310 | 290 | 130 | 286 | 270 | 220 | 125 | 50 | 4-11 | 4-12.2 | 18 | 64.4 |
| DLD-100 | 70 | 440 | 420 | 200 | 424 | 400 | 315 | 8-13 | 4-16.2 | 20 | 74.9 |
公司名称:上海迈动机电设备有限公司
公司地址:上海青浦工业区崧海路98号
邮政编码:201703
公司电话:021-54422420
公司传真:021-54422420-801
邮箱:shmidon@126.com
户名:上海迈动机电设备有限公司
税号:310112660703692
开户行:工行上海莘庄支行
账号:1001140209007024765
电话:021-54422420 54422402
传真:021-54422420-801
地址:上海莘庄工业园区申富路128号(开票)
地址:上海青浦工业园区崧海路98号(收货地址)
上海迈动机电设备有限公司提供17%的增值税发票;
品质100%保证,让你更放心使用。
ADD:上海迈动机电设备有限公司 备案号:沪ICP备15037005
TEL:86-021-54422420,021-544227902 ,021-54422402 MB:13818829143,17701898099