
迈动工业,国产导轨供应商,全国优质实价供应,终生服务,为推动中国工业实业发展,欢迎你真诚的合作。
GZ-AA (AA/AAL) 【迈动工业】滚柱重载直线导轨


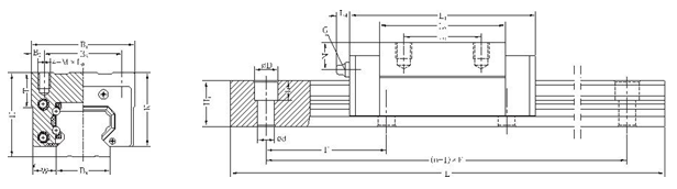
GZB AA/AAL
| 型号 | 导轨副尺寸 | 滑块尺寸 | 导轨尺寸 | 油杯尺寸 | 额定 动载 | 额定 静载 | 额定力矩 | 滑块 重量 | 导轨 重量 | ||||||||||||||||||||
| H | W | K | B1 | L1 | B3 | L3 | L4 | M | ¢ | T | T1 | L0 | L2 | B2 | H1 | d×D×h | F | 单根最 大长度 Lmax | G | P | N | C (KN) | C0 (KN) | MA (N.m) | MB (N.m) | MC (N.m) | kg | kg/m | |
| GZ25AA | 36 | 23.5 | 31.5 | 70 | 100 | 57 | 45 | 40 | 8 | 6.8 | 9.5 | 10 | 10 | 66 | 23 | 24 | 7×11×9 | 30 | 6000 | M6 | 12 | 5.5 | 26.5 | 50.8 | 570 | 570 | 710 | 0.6 | 3.2 |
| GZ25AAL | 120 | 86 | 33.8 | 71.6 | 830 | 830 | 980 | 0.8 | |||||||||||||||||||||
| GZ35AA | 48 | 33 | 42 | 100 | 128 | 82 | 62 | 52 | 10 | 8.5 | 13 | 21 | 12 | 86 | 34 | 30.5 | 9×14×12 | 40 | 6000 | M6 | 13 | 8.5 | 50.5 | 121 | 1548 | 1548 | 2343 | 1.6 | 5.9 |
| GZ35AAL | 147 | 105 | 61 | 162 | 2708 | 2708 | 3283 | 1.9 | |||||||||||||||||||||
| GZ45AA | 60 | 37.5 | 51 | 120 | 154 | 100 | 80 | 60 | 12 | 10.5 | 15 | 25 | 15 | 102 | 45 | 38 | 14×20×16 | 52.5 | 6000 | M8×1 | 14 | 11 | 84.5 | 191 | 3156 | 3156 | 4858 | 2.5 | 9.8 |
| GZ45AAL | 182 | 130 | 99.6 | 236 | 5560 | 5560 | 6736 | 3.5 | |||||||||||||||||||||
| GZ55AA | 70 | 43.5 | 60 | 140 | 172 | 116 | 95 | 70 | 14 | 12.5 | 20 | 29 | 18 | 118 | 53 | 44 | 16×23×20 | 60 | 6000 | M8×1 | 14 | 13 | 123 | 292 | 5267 | 5267 | 8243 | 4.3 | 13.3 |
| GZ55AAL | 210 | 156 | 154 | 390 | 9713 | 9713 | 11927 | 5.9 | |||||||||||||||||||||
| GZ65AA | 90 | 53.5 | 76 | 170 | 210 | 142 | 110 | 82 | 16 | 14.5 | 25 | 37 | 23 | 147 | 63 | 55 | 18×26×22 | 75 | 6000 | M8×1 | 14 | 17 | 192 | 451 | 10823 | 10823 | 17762 | 8.6 | 20.3 |
| GZ65AAL | 270 | 207 | 248 | 613 | 20808 | 20808 | 22957 | 12.3 | |||||||||||||||||||||
| GZ85AAL | 110 | 65 | 95 | 215 | 349 | 185 | 140 | 140 | 20 | 17.5 | 24 | 44 | 26 | 254 | 85 | 73 | 24×35×28 | 90 | 6000 | M8×1 | 14 | 21 | 460 | 1050 | 45600 | 45600 | 51420 | 21.6 | 35.2 |
| GZ100AAL | 120 | 75 | 105 | 250 | 394 | 220 | 200 | 200 | 20 | 17.5 | 25 | 51.5 | 30 | 286 | 100 | 80 | 26×39×32 | 105 | 6000 | M10×1 | 16 | 23 | 547 | 1330 | 61200 | 61200 | 73140 | 31.5 | 46.8 |
| GZ125AAL | 160 | 97.5 | 135.5 | 320 | 491 | 270 | 205 | 205 | 24 | 21 | 30 | 66 | 45 | 360 | 125 | 115 | 33×48×45 | 120 | 6000 | M10×1 | 16 | 23 | 1040 | 1924 | 123176 | 123176 | 114438 | 65.5 | 84.6 |
1). L1尺寸以密封形式MN为标准,详情请查看密封形式。
2).GZ系列A A/A AL滑块为法兰型,滑块安装孔为螺孔,上锁式参考M尺寸、下锁式参考?尺寸。
3).GZ85、GZ100、GZ125滑块在顶面L3,B3方向上各对称分布3排安装孔,共9个。
GZ-BA 【迈动工业】滚柱重载直线导轨


| 型号 | 导轨副尺寸 | 滑块尺寸 | 导轨尺寸 | 油杯尺寸 | 额定 动载 | 额定 静载 | 额定力矩 | 滑块 重量 | 导轨 重量 | ||||||||||||||||
| H | W | K | B1 | L1 | B3 | L3 | MXL0 | T | L2 | B2 | H1 | d×D×h | F | 单根最 大长度 Lmax | G | P | N | C (KN) | C0 (KN) | MA (N.m) | MB (N.m) | MC (N.m) | kg | kg/m | |
| GZ25BA | 40 | 12.5 | 35.5 | 48 | 100 | 35 | 35 | M6×8 | 9.5 | 66 | 23 | 24 | 7×11×9 | 30 | 6000 | M6 | 12 | 9.5 | 26.5 | 50.8 | 570 | 570 | 710 | 0.5 | 3.2 |
| GZ25BAL | 120 | 50 | 86 | 33.8 | 71.6 | 830 | 830 | 980 | 0.7 | ||||||||||||||||
| GZ35BA | 55 | 18 | 49 | 70 | 128 | 50 | 50 | M8×12 | 10 | 86 | 34 | 30.5 | 9×14×12 | 40 | 6000 | M6 | 13 | 15.5 | 50.5 | 121 | 1548 | 1548 | 2343 | 1.4 | 5.9 |
| GZ35BAL | 147 | 72 | 105 | 61 | 162 | 2708 | 2708 | 3283 | 1.7 | ||||||||||||||||
| GZ45BA | 70 | 20.5 | 61 | 86 | 154 | 60 | 60 | M10×16 | 15 | 102 | 45 | 38 | 14×20×16 | 52.5 | 6000 | M8×1 | 14 | 21 | 84.5 | 191 | 3156 | 3156 | 4858 | 2.48 | 9.8 |
| GZ45BAL | 182 | 80 | 130 | 99.6 | 236 | 5560 | 5560 | 6736 | 3.2 | ||||||||||||||||
| GZ55BA | 80 | 23.5 | 70 | 100 | 172 | 75 | 75 | M12×18 | 18 | 118 | 53 | 44 | 16×23×20 | 60 | 6000 | M8×1 | 14 | 23 | 123 | 292 | 5267 | 5267 | 8243 | 3.8 | 13.3 |
| GZ55BAL | 210 | 95 | 156 | 154 | 390 | 9713 | 9713 | 11927 | 5.1 | ||||||||||||||||
| GZ65BA | 90 | 31.5 | 76 | 126 | 210 | 76 | 70 | M16×16 | 23 | 147 | 63 | 55 | 18×26×22 | 75 | 6000 | M8×1 | 14 | 17 | 192 | 451 | 10823 | 10823 | 17762 | 6.3 | 20.3 |
| GZ65BAL | 270 | 120 | 207 | 248 | 613 | 20808 | 20808 | 22957 | 8.9 | ||||||||||||||||
| GZ85BAL | 110 | 35.5 | 95 | 156 | 349 | 100 | 140 | M18×25 | 30 | 254 | 85 | 73 | 24×35×28 | 90 | 6000 | M8×1 | 14 | 21 | 460 | 1050 | 45600 | 45600 | 51420 | 14.7 | 35.2 |
| GZ100BAL | 120 | 50 | 105 | 200 | 394 | 130 | 200 | M20×27 | 33 | 286 | 100 | 80 | 26×39×32 | 105 | 6000 | M10×1 | 16 | 23 | 547 | 1330 | 61200 | 61200 | 73140 | 24.5 | 46.8 |
| GZ125BAL | 160 | 57.5 | 135.5 | 240 | 491 | 184 | 205 | M24×30 | 40 | 360 | 125 | 115 | 33×48×45 | 120 | 6000 | M10×1 | 16 | 23 | 1040 | 1924 | 123176 | 123176 | 114438 | 46 | 84.6 |
注:
1).表中MA.MB.MC如右下图指的是一个滑块的额定力矩值。
2).表中Lmax为导轨单根最大长度,如接长另行协商(接长导轨建议配打孔安装)。
3).对于单根导轨如无特殊要求,孔端距两端均分。
4).因GB25AA/AAL高度不同,GGB45AA/AAL高度及孔距不同,区分为Ⅰ、Ⅱ型,优先推荐Ⅱ型。
GB-AA (AA/AAL) 【迈动工业】(四方向等载荷)滚柱重载直线导轨

GGB AA/AAL
| 型号 | 导轨副尺寸 | 滑块尺寸 | 导轨尺寸 | 油杯尺寸 | 额定 动载 | 额定 静载 | 额定力矩 | 滑块 重量 | 导轨 重量 | ||||||||||||||||||
| H | W | K | B1 | L1 | B3 | L3 | M1 | T | T1 | B2 | L2 | B4 | H1 | d×D×h | F | 单根最 大长度 Lmax | L4 | G | N | C (KN) | C0 (KN) | MA (N.m) | MB (N.m) | MC (N.m) | kg | kg/m | |
| GB16AA | 24 | 15.5 | 19.4 | 47 | 58.5 | 38 | 30 | M5 | 7 | 11 | 4.5 | 40.5 | 16 | 15 | 4.5×7.5×5.3 | 60 | 1200 | 2.5 | ¢4 | 4 | 8.51 | 13.38 | 70 | 70 | 100 | 0.17 | 1.62 |
| GB20AA | 30 | 21.5 | 24 | 63 | 71 | 53 | 40 | M6 | 10 | 10 | 5 | 50 | 20 | 18 | 6×9.5×8.5 | 60 | 3000 | 11 | M6 | 6 | 13.7 | 19.27 | 160 | 160 | 230 | 0.33 | 2.3 |
| GB20AAL | 87 | 66 | 18.43 | 26.5 | 260 | 260 | 310 | 0.45 | |||||||||||||||||||
| GB25IAA | 37 | 23.5 | 29.8 | 70 | 83 | 57 | 45 | M8 | 10 | 16 | 6.5 | 59 | 23 | 22 | 7×11×9 | 60 | 6000 | 11 | M6 | 7.2 | 20.19 | 29.98 | 260 | 260 | 390 | 0.55 | 3.3 |
| GB25IAAL | 102 | 78 | 27.17 | 40.68 | 450 | 450 | 500 | 0.75 | |||||||||||||||||||
| GB25ⅡAA | 36 | 28.8 | 83 | 59 | 20.19 | 29.98 | 260 | 260 | 390 | 0.5 | |||||||||||||||||
| GB25ⅡAAL | 102 | 78 | 27.17 | 40.68 | 450 | 450 | 500 | 0.7 | |||||||||||||||||||
| GB30AA | 42 | 31 | 35 | 90 | 97+ | 72 | 52 | M10 | 10 | 18 | 9 | 70 | 28 | 26 | 9×14×12 | 80 | 6000 | 11 | M6 | 7 | 28.08 | 46.33 | 430 | 430 | 650 | 1 | 4.7 |
| GB30AAL | 119 | 92 | 37.77 | 61.77 | 720 | 720 | 870 | 1.3 | |||||||||||||||||||
| GB35AA | 48 | 33 | 38 | 100 | 109 | 82 | 62 | M10 | 13 | 21 | 9 | 81 | 34 | 29 | 9×14×12 | 80 | 6000 | 11 | M6 | 8 | 34.97 | 58.53 | 610 | 610 | 1030 | 1.45 | 6.5 |
| GB35AAL | 133 | 105 | 46.43 | 76.54 | 1030 | 1030 | 1380 | 1.9 | |||||||||||||||||||
| GB45IAA | 62 | 37.5 | 51 | 120 | 137 | 100 | 80 | M12 | 15 | 25 | 10 | 102 | 45 | 38 | 14×20×16 | 100 | 6000 | 11 | M6 | 12 | 60.14 | 94.57 | 1290 | 1290 | 2100 | 2.6 | 11.2 |
| GB45IAAL | 165 | 130 | 80.83 | 126.09 | 2080 | 2080 | 2790 | 3.4 | |||||||||||||||||||
| GB45ⅡAA | 60 | 49 | 137 | 102 | 105 | 60.14 | 94.57 | 1290 | 1290 | 2100 | 2.4 | ||||||||||||||||
| GB45ⅡAAL | 165 | 130 | 80.83 | 126.09 | 2080 | 2080 | 2790 | 3.1 | |||||||||||||||||||
| GB55AA | 70 | 3.5 | 57 | 140 | 161 | 116 | 95 | M14 | 20 | 29 | 12 | 118 | 53 | 44 | 16×23×20 | 120 | 6000 | 14 | M8×1 | 12 | 92.62 | 137.57 | 2180 | 2180 | 3640 | 4.3 | 15 |
| GB55AAL | 199 | 156 | 126.51 | 187.6 | 3650 | 3650 | 4860 | 5.8 | |||||||||||||||||||
| GB65AA | 90 | 53.5 | 76 | 170 | 199 | 142 | 110 | M16 | 23 | 37 | 14 | 147 | 63 | 53 | 18×26×22 | 150 | 6000 | 14 | M8×1 | 12 | 154.13 | 221.89 | 4170 | 4170 | 6800 | 7.3 | 22.2 |
| GB65AAL | 259 | 207 | 220.24 | 322.75 | 7300 | 7300 | 9100 | 10.7 | |||||||||||||||||||
| GB85AA | 110 | 65 | 94 | 215 | 247 | 185 | 140 | M20 | 30 | 55 | 15 | 179 | 85 | 65 | 24×35×28 | 180 | 6000 | 14 | M8×1 | 14 | 247.88 | 346.7 | 10400 | 10400 | 12900 | 16.5 | 35.5 |
| GB85AAL | 304 | 236 | 351.45 | 441.26 | 12800 | 12800 | 17200 | 22.2 | |||||||||||||||||||
GB-AB 【迈动工业】宽形,四方等载荷 滚柱重载直线导轨


| 型号 | 导轨副尺寸 | 滑块尺寸 | 导轨尺寸 | 油杯尺寸 | 额定 动载 | 额定 静载 | 额定力矩 | 滑块 重量 | 导轨 重量 | |||||||||||||||||||
| H | W | K | B1 | L1 | B3 | L3 | ¢ | T | T1 | B2 | L0 | L2 | B4 | H1 | d×D×h | F | 单根最 大长度 Lmax | L4 | G | N | C (KN) | C0 (KN) | MA (N.m) | MB (N.m) | MC (N.m) | kg | kg/m | |
| GB16AB | 24 | 15.5 | 19.4 | 47 | 58.5 | 38 | 30 | 4.5 | 7 | 11 | 4.5 | 7 | 40.5 | 16 | 15 | 4.5×7.5×5.3 | 60 | 1200 | 2.5 | ¢4 | 4 | 8.51 | 13.38 | 70 | 70 | 100 | 0.17 | 1.62 |
| GB20AB | 30 | 21.5 | 24 | 63 | 71 | 53 | 40 | 7 | 10 | 10 | 5 | 10 | 50 | 20 | 18 | 6×9.5×8.5 | 60 | 3000 | 11 | M6 | 6 | 13.7 | 19.27 | 160 | 160 | 230 | 0.33 | 2.3 |
| GB20ABL | 87 | 66 | 18.43 | 26.5 | 260 | 260 | 310 | 0.45 | ||||||||||||||||||||
| GB25IAB | 37 | 23.5 | 29.8 | 70 | 83 | 57 | 45 | 7 | 10 | 16 | 6.5 | 10 | 59 | 23 | 22 | 7×11×9 | 60 | 6000 | 11 | M6 | 7.2 | 20.19 | 29.98 | 260 | 260 | 390 | 0.55 | 3.3 |
| GB25IABL | 102 | 78 | 27.17 | 40.68 | 450 | 450 | 500 | 0.75 | ||||||||||||||||||||
| GB25ⅡAB | 36 | 28.8 | 83 | 59 | 20.19 | 29.98 | 260 | 260 | 390 | 0.5 | ||||||||||||||||||
| GB25ⅡABL | 102 | 78 | 27.17 | 40.68 | 450 | 450 | 500 | 0.7 | ||||||||||||||||||||
| GB30AB | 42 | 31 | 35 | 90 | 97 | 72 | 52 | 9 | 10 | 18 | 9 | 10 | 70 | 28 | 26 | 9×14×12 | 80 | 6000 | 11 | M6 | 7 | 28.08 | 46.33 | 430 | 430 | 650 | 1 | 4.7 |
| GB30ABL | 119 | 92 | 37.77 | 61.77 | 720 | 720 | 870 | 1.3 | ||||||||||||||||||||
| GB35AB | 48 | 33 | 38 | 100 | 109 | 82 | 62 | 11 | 13 | 21 | 9 | 13 | 81 | 34 | 29 | 9×14×12 | 80 | 6000 | 11 | M6 | 8 | 34.97 | 58.53 | 610 | 610 | 1030 | 1.45 | 6.5 |
| GB35ABL | 133 | 105 | 46.43 | 76.54 | 1030 | 1030 | 1380 | 1.9 | ||||||||||||||||||||
| GB45IAB | 62 | 37.5 | 51 | 120 | 137 | 100 | 80 | 13 | 15 | 25 | 10 | 15 | 102 | 45 | 38 | 14×20×16 | 100 | 6000 | 11 | M6 | 12 | 60.14 | 94.57 | 1290 | 1290 | 2100 | 2.6 | 11.2 |
| GB45IABL | 165 | 130 | 80.83 | 126.09 | 2080 | 2080 | 2790 | 3.4 | ||||||||||||||||||||
| GB45ⅡAB | 60 | 49 | 137 | 102 | 105 | 60.14 | 94.57 | 1290 | 1290 | 2100 | 2.4 | |||||||||||||||||
| GB45ⅡABL | 165 | 130 | 80.83 | 126.09 | 2080 | 2080 | 2790 | 3.1 | ||||||||||||||||||||
| GB55AB | 70 | 3.5 | 57 | 140 | 161 | 116 | 95 | 14 | 20 | 29 | 12 | 17 | 118 | 53 | 44 | 16×23×20 | 120 | 6000 | 14 | M8×1 | 12 | 92.62 | 137.57 | 2180 | 2180 | 3640 | 4.3 | 15 |
| GB55ABL | 199 | 156 | 126.51 | 187.6 | 3650 | 3650 | 4860 | 5.8 | ||||||||||||||||||||
| GB65AB | 90 | 53.5 | 76 | 170 | 199 | 142 | 110 | 16 | 23 | 37 | 14 | 23 | 147 | 63 | 53 | 18×26×22 | 150 | 6000 | 14 | M8×1 | 12 | 154.13 | 221.89 | 4170 | 4170 | 6800 | 7.3 | 22.2 |
| GB65ABL | 259 | 207 | 220.24 | 322.75 | 7300 | 7300 | 9100 | 10.7 | ||||||||||||||||||||
| GB85AB | 110 | 65 | 94 | 215 | 247 | 185 | 140 | 18 | 30 | 55 | 15 | 30 | 179 | 85 | 65 | 24×35×28 | 180 | 6000 | 14 | M8×1 | 14 | 247.88 | 346.7 | 10400 | 10400 | 12900 | 16.5 | 35.5 |
| GB85ABL | 304 | 236 | 351.45 | 441.26 | 12800 | 12800 | 17200 | 22.2 | ||||||||||||||||||||
注:
1). 表中MA.MB.MC如右下图指的是一个滑块的额定力矩值。
2). 表中Lmax为导轨单根最大长度,如接长另行协商(接长导轨建议配打孔安装)。
3). 对于单根导轨如无特殊要求,孔端距两端均分。
4).因GB45BA/BAL孔距不同,区分为Ⅰ、Ⅱ型,优先推荐Ⅱ型。
GB-BA 【迈动工业】窄形四方向等载荷 滚柱重载直线导轨


| 型号 | 导轨副尺寸 | 滑块尺寸 | 导轨尺寸 | 油杯尺寸 | 额定 动载 | 额定 静载 | 额定力矩 | 滑块 重量 | 导轨 重量 | |||||||||||||||||
| H | W | K | B1 | L1 | B3 | L3 | M1XL0 | T | B2 | L2 | B4 | H1 | d×D×h | F | 单根最 大长度 Lmax | L4 | G | N | C (KN) | C0 (KN) | MA (N.m) | MB (N.m) | MC (N.m) | kg | kg/m | |
| GB16BA | 28 | 9 | 23.4 | 34 | 58.5 | 26 | 26 | M4×5 | 6 | 4 | 40.5 | 16 | 15 | 4.5×7.5×5.3 | 60 | 1200 | 2.5 | ¢4 | 9 | 8.51 | 13.38 | 70 | 70 | 100 | 0.17 | 1.62 |
| GB20BA | 30 | 12 | 24 | 44 | 71 | 32 | 36 | M5×5 | 8 | 6 | 50 | 20 | 18 | 6×9.5×8.5 | 60 | 3000 | 11 | M6 | 5 | 13.7 | 19.27 | 160 | 160 | 230 | 0.26 | 2.3 |
| GB20BAL | 87 | 50 | 66 | 18.4 | 26.5 | 260 | 260 | 310 | 0.35 | |||||||||||||||||
| GB25BA | 40 | 12.5 | 32.8 | 48 | 83 | 35 | 35 | M6×8 | 8 | 6.5 | 59 | 23 | 22 | 7×11×9 | 60 | 6000 | 11 | M6 | 10.2 | 20.2 | 29.98 | 260 | 260 | 390 | 0.55 | 3.3 |
| GB25BAL | 102 | 50 | 78 | 27.2 | 40.68 | 450 | 450 | 500 | 0.75 | |||||||||||||||||
| GB30BA | 45 | 16 | 38 | 60 | 97 | 40 | 40 | M8×8 | 8 | 10 | 70 | 28 | 26 | 9×14×12 | 80 | 6000 | 11 | M6 | 10 | 28.1 | 46.33 | 430 | 430 | 650 | 0.79 | 4.7 |
| GB30BAL | 119 | 60 | 92 | 37.8 | 61.77 | 720 | 720 | 870 | 1 | |||||||||||||||||
| GB35BA | 55 | 18 | 45 | 70 | 109 | 50 | 50 | M8×2 | 10 | 10 | 81 | 34 | 29 | 9×14×12 | 80 | 6000 | 11 | M6 | 17 | 35 | 58.53 | 610 | 610 | 1030 | 1.4 | 6.5 |
| GB35BAL | 133 | 72 | 105 | 46.4 | 76.54 | 1030 | 1030 | 1380 | 1.7 | |||||||||||||||||
| GB45IBA | 70 | 20.5 | 59 | 86 | 137 | 60 | 60 | M10×16 | 15 | 13 | 102 | 45 | 38 | 14×20×16 | 100 | 6000 | 11 | M6 | 21 | 60.1 | 94.57 | 1290 | 1290 | 2100 | 2.5 | 11.2 |
| GB45IBAL | 165 | 80 | 130 | 80.8 | 126.09 | 2080 | 2080 | 2790 | 3.3 | |||||||||||||||||
| GB45ⅡBA | 137 | 60 | 102 | 105 | 60.1 | 94.57 | 1290 | 1290 | 2100 | 2.5 | ||||||||||||||||
| GB45ⅡBAL | 165 | 80 | 130 | 80.8 | 126.09 | 2080 | 2080 | 2790 | 3.3 | |||||||||||||||||
| GB55BA | 80 | 23.5 | 67 | 100 | 161 | 75 | 75 | M12×18 | 18 | 12.5 | 118 | 53 | 44 | 16×23×20 | 120 | 6000 | 14 | M8×1 | 22 | 92.6 | 137.57 | 2180 | 2180 | 3640 | 4.4 | 15 |
| GB55BAL | 199 | 95 | 156 | 127 | 187.6 | 3650 | 3650 | 4860 | 5.9 | |||||||||||||||||
| GB65BA | 90 | 31.5 | 76 | 126 | 199 | 76 | 70 | M16×16 | 23 | 25 | 147 | 63 | 53 | 18×26×22 | 150 | 6000 | 14 | M8×1 | 12 | 154 | 221.89 | 4170 | 4170 | 6800 | 5.8 | 22.2 |
| GB65BAL | 259 | 120 | 207 | 220 | 322.75 | 7300 | 7300 | 9100 | 8.4 | |||||||||||||||||
| GB85BA | 110 | 39 | 94 | 163 | 247 | 100 | 80 | M18×25 | 30 | 31.5 | 179 | 85 | 65 | 24×35×28 | 180 | 6000 | 14 | M8×1 | 14 | 248 | 346.7 | 10400 | 10400 | 12900 | 13 | 35.5 |
| GB85BAL | 304 | 140 | 236 | 351 | 441.26 | 12800 | 12800 | 17200 | 17 | |||||||||||||||||
GSB-AA 【迈动工业】低噪音滚动直线导轨

| 型号 | 导轨副尺寸 | 滑块尺寸 | 导轨尺寸 | 油杯尺寸 | 额定 动载 | 额定 静载 | 额定力矩 | 滑块 重量 | 导轨 重量 | ||||||||||||||||||||
| H | W | K | B1 | L1 | B3 | L3 | M | ¢ | T | T1 | B2 | L0 | L2 | B4 | H1 | d×D×h | F | 单根最 大长度 Lmax | L4 | G | N | C (KN) | C0 (KN) | MA (N.m) | MB (N.m) | MC (N.m) | kg | kg/m | |
| GSB35AA | 48 | 33 | 38 | 100 | 116 | 82 | 62 | M10 | 8.5 | 13 | 21 | 9 | 13 | 81 | 34 | 29 | 9×14×12 | 80 | 6000 | 11 | M6 | 8 | 40.15 | 93.29 | 980 | 980 | 1580 | 1.4 | 6.4 |
| GSB35AAL | 140 | 105 | 51.29 | 124.39 | 1680 | 1680 | 2100 | 1.9 | |||||||||||||||||||||
| GSB45AA | 60 | 37.5 | 51 | 120 | 142 | 100 | 80 | M12 | 10.5 | 15 | 18 | 10 | 15 | 102 | 45 | 32 | 14×20×16 | 105 | 6000 | 11 | M8×1 | 12 | 68.26 | 129.62 | 1760 | 1760 | 2850 | 3 | 9.7 |
| GSB45AAL | 183 | 140 | 87.09 | 164.18 | 2710 | 2710 | 3610 | 3.8 | |||||||||||||||||||||
| GSB55AA | 70 | 43.5 | 57 | 140 | 165 | 116 | 95 | M14 | 12.5 | 17 | 29 | 12 | 17 | 118 | 53 | 44 | 16×23×20 | 120 | 6000 | 14 | M8×1 | 12 | 102.75 | 193.95 | 3110 | 3110 | 5150 | 4.2 | 14.7 |
| GSB55AAL | 203 | 156 | 135.67 | 258.6 | 5230 | 5230 | 6870 | 5.7 | |||||||||||||||||||||
注:
1).?L1尺寸以密封形式MN为标准,详情请查看密封形式。
2).?GSB系列AA/AAL滑块为法兰型,滑块安装孔为螺孔,上锁式参考M尺寸,下锁式参考?尺寸。
GSB-BA 【迈动工业】窄形 低噪音滚动直线导轨

| 型号 | 导轨副尺寸 | 滑块尺寸 | 导轨尺寸 | 油杯尺寸 | 额定 动载 | 额定 静载 | 额定力矩 | 滑块 重量 | 导轨 重量 | |||||||||||||||||
| H | W | K | B1 | L1 | B3 | L3 | MXL0 | T | B2 | L2 | B4 | H1 | d×D×h | F | 单根最 大长度 Lmax | L4 | G | N | C (KN) | C0 (KN) | MA (N.m) | MB (N.m) | MC (N.m) | kg | kg/m | |
| GSB35BA | 55 | 18 | 45 | 70 | 116 | 50 | 50 | M8×9 | 10 | 10 | 81 | 34 | 29 | 9×14×12 | 80 | 6000 | 11 | M6 | 8 | 40.2 | 93.29 | 980 | 980 | 1580 | 2 | 6.4 |
| GSB35BAL | 140 | 72 | 105 | 51.3 | 124.39 | 1680 | 1680 | 2100 | 2.3 | |||||||||||||||||
| GSB45BA | 70 | 20.5 | 61 | 86 | 142 | 60 | 60 | M10×14.5 | 15 | 13 | 102 | 45 | 32 | 14×20×16 | 105 | 6000 | 11 | M8×1 | 12 | 68.3 | 129.62 | 1760 | 1760 | 2850 | 3.5 | 9.7 |
| GSB45BAL | 183 | 80 | 140 | 87.1 | 164.18 | 2710 | 2710 | 3610 | 3.9 | |||||||||||||||||
| GSB55BA | 80 | 23.5 | 67 | 100 | 165 | 75 | 75 | M12×17 | 18 | 12.5 | 118 | 53 | 44 | 16×23×20 | 120 | 6000 | 14 | M8×1 | 12 | 103 | 193.95 | 3110 | 3110 | 5150 | 4.4 | 14.7 |
| GSB55BAL | 203 | 95 | 156 | 136 | 258.6 | 5230 | 5230 | 6870 | 5.9 | |||||||||||||||||
公司名称:上海迈动机电设备有限公司
公司地址:上海青浦工业区崧海路98号
邮政编码:201703
公司电话:021-54422420
公司传真:021-54422420-801
邮箱:shmidon@126.com
户名:上海迈动机电设备有限公司
税号:310112660703692
开户行:工行上海莘庄支行
账号:1001140209007024765
电话:021-54422420 54422402
传真:021-54422420-801
地址:上海莘庄工业园区申富路128号(开票)
地址:上海青浦工业园区崧海路98号(收货地址)
上海迈动机电设备有限公司提供17%的增值税发票;
品质100%保证,让你更放心使用。