86-021-54422420 13818829143
86-021-54422402 17701898099
All products
联轴器 Coupling
传动轮 Pulley
胀套 Lock
丝杆导轨 ScrewGuide
离合制动器 Clutch
传动器 Actuators
皮带 Belt
电机 Motor
轴承 Bearing











SNC限扭器特点:
1、当超载或机械故障而导致所需扭矩超过设定值时,它以打滑形式限制传动系统所传动的扭力,当过载情形消失后自行恢复联结。这样就防止了机械损坏,避免了昂贵的停机损失。扭力限制器采用弹簧负荷式摩擦表面,以螺帽或螺栓调整弹簧力,预设其滑动扭矩。
2、扭矩限制器采用弹簧负荷式摩擦表面.以螺帽或螺栓调整弹簧力.预设其滑动扭矩.
3、扭矩限制器可以链轮、齿轮、皮带轮或法兰盘作为中心构件.摩擦片为不含石棉并防锈的干式摩擦片,可用于防爆场合,且耐磨性能良好,寿命长.中间滑动套无需润滑.
该产品主要用在波峰焊,表针机械,纸箱机械,涂装设备、自动化流水生产线,各类输送机(如链条输送机,滚子输送机,皮带输送机,螺旋输送机等),升降机,铸造机等机械的链条、皮带、同步带等的过载断裂保护。
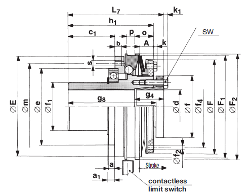
| Size1) | Limiting torques for overload MG1) | Max. speed nmax rpm | Stroke of the thrust washer in the event of an overload mm | Mass moments of inertia I | Weight kg | Clamping bolts and tightening torques for¢d | ||||
| 1 | 2 | 3 | Hubsidekgm2 | Pressure flange sidekgm2 | mm | Nm | ||||
| SNC1 | 0.65-1.3 | 1.3–2.6 | 2–3.8 | 4000 | 0.8 | 0.000027 | 0.000008 | 0.18 | 4×M3 | 1 |
| SNC2 | 2–5 | 5–10 | 6–15 | 4000 | 1 | 0.000054 | 0.000018 | 0.28 | 4×M3 | 1 |
| SNC3 | 4–10 | 8–20 | 12–0 | 4000 | 1.2 | 0.00019 | 0.00006 | 0.55 | 4×M4 | 3 |
| SNC4 | 8–20 | 15–40 | 23–0 | 4000 | 1.5 | 0.00047 | 0.00018 | 0.94 | 6×M4 | 3 |
| SNC5 | 15–36 | 30–72 | 45–108 | 3000 | 1.8 | 0.0012 | 0.00039 | 1.63 | 6×M5 | 5.5 |
| SNC6 | 30–75 | 60–50 | 90–225 | 2500 | 2 | 0.00273 | 0.00077 | 3.03 | 6×M6 | 9.5 |
| SNC7 | 60–150 | 120–300 | 180–450 | 2000 | 2.2 | 0.0062 | 0.00173 | 3.95 | 8×M6 | 9.5 |
| Dimensions | ||||||||||
| Size | Bore d2) from-to mm | Min.shaft length | A6) | a7) | a0 | b | E | eh58) | F | |
| g4mm | g7mm | |||||||||
| SNC1 | 6–12 | 11.5 | 25.5 | 7.2 | 2 | 4.5 | 5 | 40 | 30 | 37 |
| SNC2 | 8–15 | 15.5 | 30.5 | 9.5 | 2 | 5 | 5 | 47 | 37 | 42 |
| SNC3 | 9–16 | 18 | 36 | 9.5 | 3 | 6 | 6 | 60 | 47 | 57 |
| SNC4 | 12–20 | 23 | 43 | 10.2 | 4 | 8 | 7 | 77 | 62 | 63 |
| SNC5 | 15–25 | 27 | 49 | 10.9 | 5 | 10 | 7.5 | 90 | 68 | 82 |
| SNC6 | 22–35 | 29 | 54 | 12.6 | 5 | 10 | 8.5 | 106 | 80 | 103 |
| SNC7 | 32–45 | 32 | 61 | 14.7 | 5 | 10 | 9.5 | 125 | 100 | 118.5 |
| Size | F1 | F2 | f | f2 | f4 | h6) | k | k1 | L23) | m | o6) | p | s | SW |
| SNC1 | –4) | 45 | 26 | – | – | 24 | –5) | 2 | 28.5 | 35 | –4) | –4) | 6×M3 | 5.5 |
| SNC2 | –4) | 50 | 30 | 3 | 37 | 29 | –5) | 2 | 34.5 | 42 | –4) | –4) | 6×M3 | 5.5 |
| SNC3 | –4) | 65 | 35 | 5 | 46 | 33 | 1.05) | 2.8 | 41 | 53 | –4) | –4) | 6×M4 | 7 |
| SNC4 | 75 | 80 | 39 | 5 | 50 | 41 | 1.35) | 2.8 | 49 | 69 | 14.9 | 7.5 | 6×M5 | 7 |
| SNC5 | 90 | 95 | 48 | 6 | 67 | 47 | 3 | 3.5 | 56 | 80 | 17.4 | 7.5 | 6×M6 | 8 |
| SNC6 | 105 | 110 | 61 | 6 | 84 | 52 | 5.5 | 4 | 62 | 90 | 19.7 | 8 | 6×M6 | 10 |
| SNC7 | 125 | 130 | 74 | 7 | 104 | 59 | 5.5 | 4 | 70 | 112 | 23.5 | 9 | 6×M8 | 10 |


公司名称:上海迈动机电设备有限公司
公司地址:上海青浦工业区崧海路98号
邮政编码:201703
公司电话:021-54422420
公司传真:021-54422420-801
邮箱:shmidon@126.com
户名:上海迈动机电设备有限公司
税号:310112660703692
开户行:工行上海莘庄支行
账号:1001140209007024765
电话:021-54422420 54422402
传真:021-54422420-801
地址:上海莘庄工业园区申富路128号(开票)
地址:上海青浦工业园区崧海路98号(收货地址)
上海迈动机电设备有限公司提供17%的增值税发票;
品质100%保证,让你更放心使用。
ADD:上海迈动机电设备有限公司 备案号:沪ICP备15037005
TEL:86-021-54422420,021-544227902 ,021-54422402 MB:13818829143,17701898099