
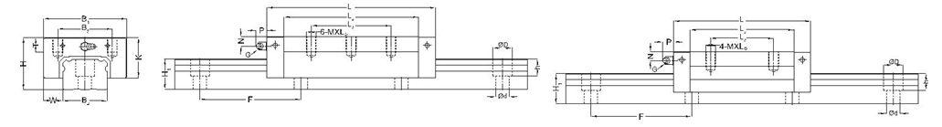
GGC-BA 【迈动工业】微形滚动直线导轨
| 型号 | 导轨副尺寸 | 滑块尺寸 | 导轨尺寸 | 额定 动载 | 额定 静载 | 额定力矩 | 滑块 重量 | 导轨 重量 | ||||||||||||||||
| H | W | T | B1 | L3 | B2 | L1 | M1XL0 | M2 | B3 | L2 | B4 | H1 | B5 | d×D×h | F | 单根最 大长度 Lmax | C (KN) | C0 (KN) | MA (N.m) | MB (N.m) | MC (N.m) | kg | kg/m | |
| GGC9BA | 10 | 5.5 | 7.8 | 20 | 32 | 15 | 13 | M2×2.5 | M3 | 2.5 | 18 | 9 | 5.5 | 0 | 2.6×4.5×3 | 20 | 500 | 1.71 | 1.8 | 6.58 | 6.58 | 10.8 | 0.014 | 0.32 |
| GGC9BAK | 12 | 6 | 7.8 | 30 | 41 | 21 | 12 | M3×3 | M3 | 4.5 | 27 | 18 | 7.5 | 0 | 3.6×6×4.5 | 25 | 600 | 2.56 | 2.7 | 14.8 | 14.8 | 32.4 | 0.032 | 0.98 |
| GGC12BA | 13 | 7.5 | 10 | 27 | 37 | 20 | 15 | M3×3.5 | M3 | 3.5 | 23 | 12 | 7.5 | 0 | 3.5×6×4.5 | 25 | 600 | 3.48 | 3.5 | 13.6 | 13.6 | 24.3 | 0.028 | 0.61 |
| GGC12BAK | 14 | 8 | 10 | 40 | 46.4 | 28 | 15 | M3×3.5 | M4 | 6 | 32.4 | 24 | 8.5 | 0 | 4.5×8×4.5 | 40 | 1200 | 4.45 | 4.6 | 28.8 | 28.8 | 73 | 0.06 | 1.87 |
| GGC15BA | 16 | 8.5 | 12 | 32 | 43 | 25 | 20 | M3×4 | M4 | 3.5 | 25.7 | 15 | 9.5 | 0 | 3.5×6×4.5 | 40 | 1400 | 5.4 | 5.5 | 25.4 | 25.4 | 47.3 | 0.065 | 0.91 |
| GGC15BAK | 16 | 9 | 12 | 60 | 55.3 | 45 | 20 | M4×4.5 | M5 | 7.5 | 41.3 | 42 | 9.5 | 23 | 4.5×8×4.5 | 40 | 1400 | 7.5 | 8.5 | 68.6 | 68.6 | 70.3 | 0.135 | 2.79 |
1). 表中MA.MB.MC如右下图指的是一个滑块的额定力矩值。
2). 表中Lmax为导轨单根最大长度,如接长另行协商(接长导轨建议配打孔安装)。
3). 对于单根导轨如无特殊要求,则孔端距为两端均分。
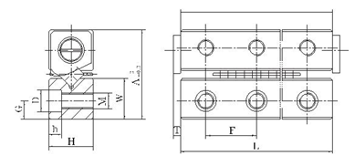
GGD-AA【迈动工业】重载滚珠滚动导轨

| 型号 | 导轨副尺寸 | 滑块尺寸 | 导轨尺寸 | 油杯尺寸 | 额定 动载 | 额定 静载 | 额定力矩 | 滑块 重量 | 导轨 重量 | ||||||||||||||||||
| H | W | K | B1 | L1 | B3 | L3 | M | ¢ | T1 | L0 | L2 | B2 | H1 | d×D×h | F | 单根最 大长度 Lmax | G | P | N | C (KN) | C0 (KN) | MA (N.m) | MB (N.m) | MC (N.m) | kg | kg/m | |
| GGD35AA | 44 | 33 | 35 | 100 | 116.4 | 82 | 62 | M10 | 8.5 | 20 | 14 | 86 | 34 | 24.2 | 9×14×12 | 80 | 6000 | M6 | 8.8 | 8 | 76 | 121 | 1338 | 855 | 1807 | 1.4 | 6 |
| GGD35AAL | 138.4 | 108 | 91 | 167 | 2258 | 1416 | 2366 | 1.8 | |||||||||||||||||||
| GGD45AA | 52 | 37.5 | 43.1 | 120 | 143 | 100 | 80 | M12 | 10.5 | 22 | 20 | 106 | 45 | 29 | 14×20×16 | 105 | 6000 | M8 | 15 | 10 | 112 | 183 | 2767 | 1725 | 3569 | 2.5 | 9.3 |
| GGD45AAL | 174 | 137 | 133 | 235 | 4566 | 2844 | 4777 | 3.2 | |||||||||||||||||||
| GGD55AA | 63 | 43.5 | 49 | 140 | 166 | 116 | 95 | M14 | 12.5 | 24 | 22 | 124 | 53 | 36.5 | 16×23×20 | 120 | 6000 | M8 | 15 | 11 | 143 | 244 | 4255 | 2642 | 5684 | 4 | 14 |
| GGD55AAL | 203 | 161 | 174 | 321 | 7142 | 4435 | 7420 | 4.8 | |||||||||||||||||||
| GGD65AAL | 75 | 53.5 | 60 | 170 | 257.2 | 142 | 110 | M16 | 14.5 | 28 | 25 | 207 | 63 | 43 | 18×26×22 | 150 | 6000 | M8 | 15 | 16 | 279 | 481 | 13022 | 8363 | 13143 | 10 | 19.7 |
1).L1尺寸以密封形式MN为标准,详情请查看密封形式。
2).GGD系列AA/AAL滑块为法兰型,滑块顶面安装孔为螺孔,上锁式参考M尺寸、下锁式参考?尺寸。
3).右图右侧分别为标准滑块AA和加长滑块AAL的侧视图。
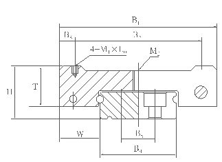
GGD-BA 【迈动工业】径向重载滚珠滚动导轨

| 型号 | 导轨副尺寸 | 滑块尺寸 | 导轨尺寸 | 油杯尺寸 | 额定 动载 | 额定 静载 | 额定力矩 | 滑块 重量 | 导轨 重量 | ||||||||||||||||
| H | W | K | B1 | L1 | B3 | L3 | MXL0 | T | L2 | B2 | H1 | d×D×h | F | 单根最 大长度 Lmax | G | P | N | C (KN) | C0 (KN) | MA (N.m) | MB (N.m) | MC (N.m) | kg | kg/m | |
| GGD35BA | 44 | 18 | 35 | 70 | 116.4 | 50 | 50 | M8×12 | 12 | 86 | 34 | 24.2 | 9×14×12 | 80 | 6000 | M6 | 8.8 | 8 | 76 | 121 | 1338 | 855 | 1807 | 1 | 6 |
| GGD35BAL | 138.4 | 72 | 108 | 91 | 167 | 2258 | 1416 | 2366 | 1.2 | ||||||||||||||||
| GGD45BA | 52 | 20.5 | 43.1 | 86 | 143 | 60 | 60 | M10×15 | 14.7 | 106 | 45 | 29 | 14×20×16 | 105 | 6000 | M8 | 15 | 10 | 112 | 183 | 2767 | 1725 | 3569 | 1.7 | 9.3 |
| GGD45BAL | 174 | 80 | 137 | 133 | 235 | 4566 | 2844 | 4777 | 2.2 | ||||||||||||||||
| GGD55BA | 63 | 23.5 | 49 | 100 | 166 | 65 | 75 | M12×17 | 17.7 | 124 | 53 | 36.5 | 16×23×20 | 120 | 6000 | M8 | 15 | 11 | 143 | 244 | 4255 | 2642 | 5684 | 2.7 | 14 |
| GGD55BAL | 203 | 95 | 161 | 174 | 321 | 7142 | 4435 | 7420 | 3.3 | ||||||||||||||||
| GGD65BAL | 75 | 31.5 | 60 | 126 | 257.2 | 76 | 110 | M16×20 | 21 | 207 | 63 | 43 | 18×26×22 | 150 | 6000 | M8 | 15 | 16 | 279 | 481 | 13022 | 8363 | 13143 | 7.2 | 19.7 |
1).L1尺寸以密封形式MN为标准,详情请查看密封形式。
2).GGD系列BA/BAL滑块为窄型,且滑块顶面安装孔为螺孔。
3).右图右侧分别为标准滑块BA和加长滑块BAL的侧视图。
GGY 【迈动工业】滚动圆弧导轨

| 型号 | 导轨副尺寸 | 滑块尺寸 | 导轨尺寸 | 油杯尺寸 | 额定 动载 | 额定 静载 | 额定力矩 | 滑块 重量 | 导轨 重量 | |||||||||||||||||||
| H | K | B1 | B2 | L1 | B3 | L3 | M | ¢ | L2 | B4 | H1 | d×D×h | θ2 | R0 | R1 | R2 | θmax | L4 | G | N | C (KN) | C0 (KN) | MA (N.m) | MB (N.m) | MC (N.m) | kg | kg/m | |
| GGY16/ 168AA(AB) | 24 | 19.4 | 47 | 4.5 | 58 | 38 | 30 | M5 | 4.5 | 40.5 | 16 | 15 | 4.5×7.5×5.3 | 15° | 168 | 160 | 176 | 160° | 2.5 | ¢4 | 4 | 5.67 | 6.35 | 51.8 | 51.8 | 82.9 | 0.2 | 1.5 |
| GGY16/ 228AA(AB) | 24 | 19.4 | 47 | 4.5 | 58 | 38 | 30 | M5 | 4.5 | 40.5 | 16 | 15 | 4.5×7.5×5.3 | 15° | 228 | 220 | 236 | 160° | 2.5 | ¢4 | 4 | 5.67 | 6.35 | 51.8 | 51.8 | 82.9 | 0.2 | 1.5 |
| GGY16/ 300AA(AB) | 24 | 19.4 | 47 | 4.5 | 58 | 38 | 30 | M5 | 4.5 | 40.5 | 16 | 15 | 4.5×7.5×5.3 | 15° | 300 | 292 | 308 | 75° | 2.5 | ¢4 | 4 | 5.67 | 6.35 | 51.8 | 51.8 | 82.9 | 0.2 | 1.5 |
| GGY16/ 390AA(AB) | 24 | 19.4 | 47 | 4.5 | 58 | 38 | 30 | M5 | 4.5 | 40.5 | 16 | 15 | 4.5×7.5×5.3 | 15° | 390 | 382 | 398 | 65° | 2.5 | ¢4 | 4 | 5.67 | 6.35 | 51.8 | 51.8 | 82.9 | 0.2 | 1.5 |
| GGY16/ 230AA(AB) | 37 | 30.5 | 70 | 6.5 | 79.5 | 57 | 45 | M8 | 7 | 59 | 23 | 22 | 7×11×9 | 15° | 230 | 218.5 | 241.5 | 160° | 11 | M6 | 6 | 16.8 | 21.5 | 142.2 | 142.2 | 233.5 | 0.99 | 3.3 |
1). 表中MA.MB.MC指的是一个滑块的额定力矩值。
2). 滚动圆弧导轨副的圆弧半径尺寸R0可以根据用户要求确定,下表所列规格为我厂已开发产品。
GZV 【迈动工业】滚柱交又导轨


| 规格 | A | H | W | M | D | h | G | F | T | 导轨最大 长度Lmax | 重量(kg) 单根导轨/米 |
| GZV3 | 18 | 8 | 8.1 | M4 | 6 | 3.1 | 3.5 | 25 | 3 | 300 | 0.45 |
| GZV4 | 22 | 11 | 10 | M5 | 7.5 | 4.1 | 4.5 | 40 | 3 | 500 | 0.75 |
| GZV6 | 31 | 15 | 14.2 | M6 | 9.5 | 5.2 | 6 | 50 | 3 | 800 | 1.47 |
| GZV9 | 44 | 22 | 20.2 | M8 | 10.5 | 6.2 | 9 | 50 | 4 | 1400 | 3.07 |
| GZV12 | 58 | 28 | 27 | M10 | 13.5 | 8.2 | 12 | 100 | 5 | 1400 | 5.32 |
| GZV15 | 71 | 36 | 33 | M12 | 16.5 | 10.2 | 14 | 100 | 5 | 1400 | 8.3 |
| 注:GZV3与GZV4导轨两端安装大头螺钉,其余规格均安装挡板 | |||||||||||
公司名称:上海迈动机电设备有限公司
公司地址:上海青浦工业区崧海路98号
邮政编码:201703
公司电话:021-54422420
公司传真:021-54422420-801
邮箱:shmidon@126.com
户名:上海迈动机电设备有限公司
税号:310112660703692
开户行:工行上海莘庄支行
账号:1001140209007024765
电话:021-54422420 54422402
传真:021-54422420-801
地址:上海莘庄工业园区申富路128号(开票)
地址:上海青浦工业园区崧海路98号(收货地址)
上海迈动机电设备有限公司提供17%的增值税发票;
品质100%保证,让你更放心使用。