86-021-54422420 13818829143
86-021-54422402 17701898099
All products
联轴器 Coupling
传动轮 Pulley
胀套 Lock
丝杆导轨 ScrewGuide
离合制动器 Clutch
传动器 Actuators
皮带 Belt
电机 Motor
轴承 Bearing




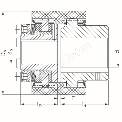
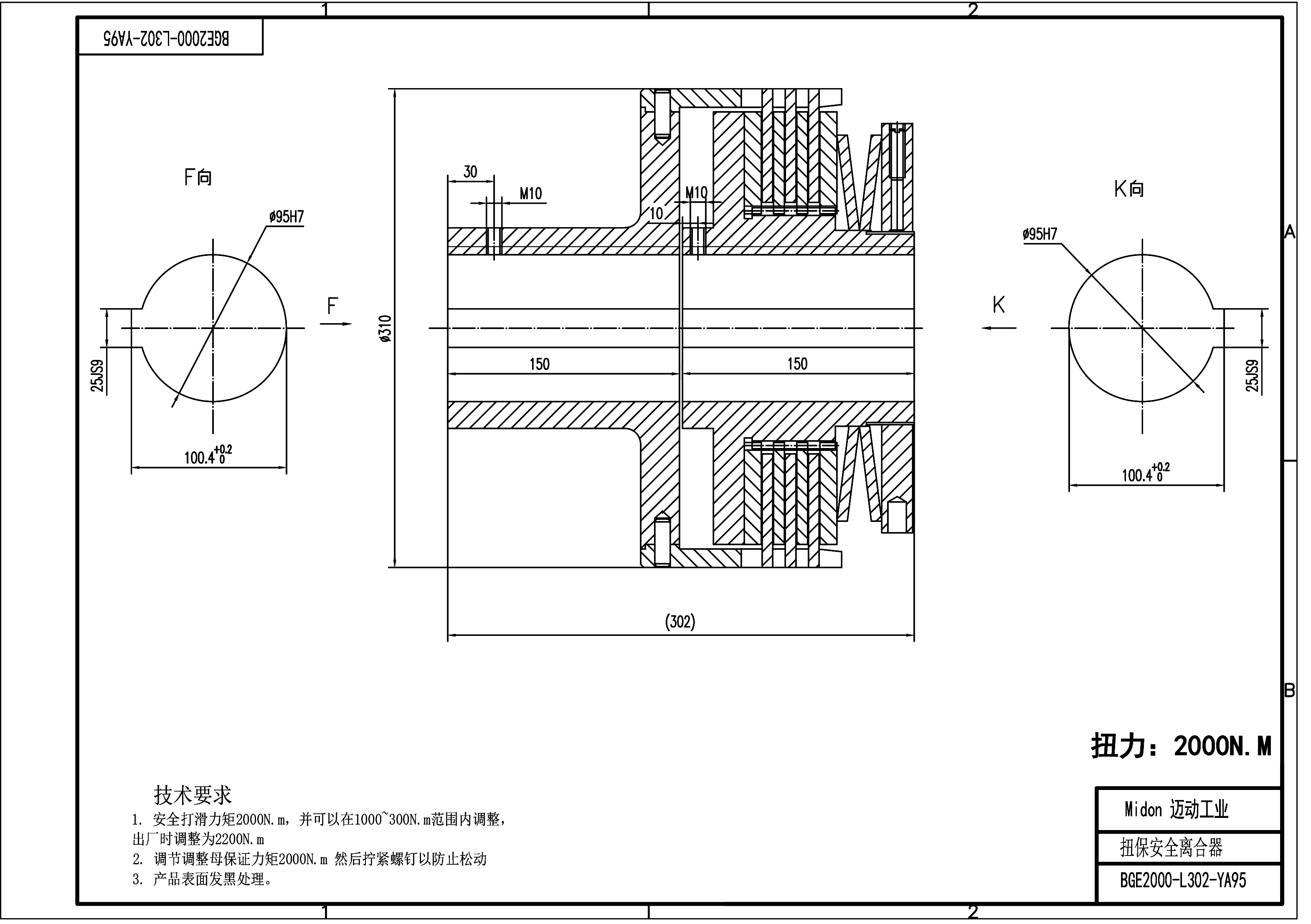
BGE迈动尼东龙齿安全联轴器(也叫扭矩限制器,安全联轴器、安全离合器),是联接主动机与工作机的一种部件,主要功能为过载保护,扭力限制器是当超载或机械故障而导致所需扭矩超过设定值时,它以打滑形式限制传动系统所传动的扭力,当过载情形消失后自行恢复联结。这样就防止了机械损坏,避免了昂贵的停机损失。
BGE迈动尼东龙齿安全联轴器)安全联轴器基本尺寸参数
| BGE迈动尼东龙齿安全联轴器 | ||||||||||||
型号 TYPE | 力矩 N.M | 最高转速 r/min | 外径 DA | 毂径 DH | 联轴器孔d1 | 限制器孔d2 | 总长 L | L1 | L2 | E | 锣丝 screw | 重量 KG |
| BGE200-1 | 3-10 | 1450 | 66 | 30 | 19 | 10 | 60 | 25 | 31 | 4 | M4*6 | 0.41 |
| BGE200-2 | 6-16 | 1450 | 66 | 30 | 19 | 10 | 60 | 25 | 31 | 4 | M4*6 | 0.43 |
| BGE250-1 | 7-28 | 1200 | 83 | 44 | 28 | 20 | 77 | 40 | 33 | 4 | M5*6 | 1.12 |
| BGE250-2 | 14-45 | 1200 | 83 | 44 | 28 | 20 | 77 | 40 | 33 | 4 | M5*6 | 1.2 |
| BGE350-1 | 20-76 | 1000 | 95 | 58 | 38 | 24 | 89 | 40 | 45 | 4 | M6*6 | 2.24 |
| BGE350-2 | 35-95 | 1000 | 95 | 58 | 38 | 24 | 89 | 40 | 45 | 4 | M6*6 | 2.33 |
| BGE500-1 | 48-100 | 700 | 132 | 67 | 48 | 28 | 106 | 50 | 52 | 4 | M8*8 | 4.43 |
| BGE500-2 | 90-160 | 700 | 132 | 67 | 48 | 28 | 106 | 50 | 52 | 4 | M8*8 | 4.5 |
| BGE700-1 | 118-350 | 500 | 220 | 95 | 65 | 35 | 116 | 55 | 57 | 4 | M10*8 | 9.2 |
| BGE700-2 | 228-450 | 500 | 220 | 95 | 65 | 35 | 116 | 55 | 57 | 4 | M10*8 | 9.4 |

公司名称:上海迈动机电设备有限公司
公司地址:上海青浦工业区崧海路98号
邮政编码:201703
公司电话:021-54422420
公司传真:021-54422420-801
邮箱:shmidon@126.com
户名:上海迈动机电设备有限公司
税号:310112660703692
开户行:工行上海莘庄支行
账号:1001140209007024765
电话:021-54422420 54422402
传真:021-54422420-801
地址:上海莘庄工业园区申富路128号(开票)
地址:上海青浦工业园区崧海路98号(收货地址)
上海迈动机电设备有限公司提供17%的增值税发票;
品质100%保证,让你更放心使用。
ADD:上海迈动机电设备有限公司 备案号:沪ICP备15037005
TEL:86-021-54422420,021-544227902 ,021-54422402 MB:13818829143,17701898099