All products
联轴器 Coupling
传动轮 Pulley
胀套 Lock
丝杆导轨 ScrewGuide
离合制动器 Clutch
传动器 Actuators
皮带 Belt
电机 Motor
轴承 Bearing

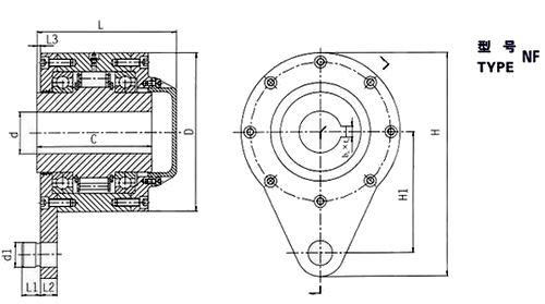
NF
NF型非接触式逆止器是一种高速防逆转装置,具有逆止可靠、解脱运转无卡滞、逆止力矩大、重量轻、安装方便等优点,其综合机械性能明显优于其它逆止装置。其内部结构采用优化设计的新型异型楔块,除耐冲击、逆止力矩大之外,还巧妙利用自身旋转之离心力:当输入轴正向旋转转速高于最低转速时,逆止器内部工作可实现无接触,零磨损,使用寿命超长。广泛地应用于带式输送机、斗式提升机、刮板输送机及其它有逆止要求的设备。
![1458781779103345.jpg 0H{F2SUJL7HYS)]}T2}]OP1.jpg](/ueditor/php/upload/image/20160324/1458781779103345.jpg)

| 型号 | 额定扭矩 | 最低转速 | 最高转速 | 配合尺寸 | 重量 | |||||||||
| N.m | r/min | r/min | d | D | H | H1 | L | L1 | L2 | L3 | C | d1 | kg | |
| NF10 | 1000 | 450 | 1500 | 40~50 | 190 | 273 | 150 | 176 | 25 | 20 | 5 | 145 | 28 | 27 |
| NF16 | 1600 | 45~60 | 208 | 295 | 160 | 182 | 22 | 150 | 32 | 31 | ||||
| NF25 | 2500 | 425 | 50~70 | 230 | 323 | 170 | 190 | 25 | 155 | 38 | 38 | |||
| NF40 | 4000 | 60~80 | 245 | 350 | 185 | 207 | 28 | 30 | 166 | 42 | 49 | |||
| NF63 | 6300 | 400 | 70~90 | 260 | 370 | 195 | 221 | 30 | 35 | 180 | 45 | 62 | ||
| NF80 | 8000 | 80?100 | 275 | 396 | 210 | 226 | 35 | 35 | 185 | 48 | 73 | |||
| NF100 | 10000 | 375 | 90~110 | 295 | 425 | 225 | 261 | 45 | 220 | 52 | 98 | |||
| NF125 | 12500 | 100~130 | 330 | 473 | 250 | 296 | 40 | 50 | 8 | 250 | 58 | 154 | ||
| NF160 | 16000 | 1000 | 110?140 | 360 | 512 | 270 | 306 | 55 | 260 | 62 | 175 | |||
| NF200 | 20000 | 350 | 120~150 | 400 | 565 | 300 | 306 | 50 | 58 | 260 | 65 | 214 | ||
| NF250 | 25000 | 130~160 | 430 | 620 | 335 | 316 | 63 | 270 | 70 | 256 | ||||
| 注:孔公差为E7,推荐轴公差为h6;安装孔键槽尺寸按GB/T1095-1979选取,宽度偏差采用一般键联接,轴为N9,毂为JS9。 | ||||||||||||||
| 键槽尺寸 | ||||||||||||||
| d | >40~44 | >40~50 | >50~58 | >58~65 | >65~75 | >75~85 | >85~95 | >95~110 | >110~130 | >130~150 | >150~160 | |||
| bn×tn | 12×3.3 | 14×3.8 | 16×4.3 | 18×4.4 | 20×4.9 | 22×5.4 | 25×5.4 | 28×6.4 | 32×7.4 | 36×8.4 | 40×9.4 | |||
公司名称:上海迈动机电设备有限公司
公司地址:上海青浦工业区崧海路98号
邮政编码:201703
公司电话:021-54422420
公司传真:021-54422420-801
邮箱:shmidon@126.com
户名:上海迈动机电设备有限公司
税号:310112660703692
开户行:工行上海莘庄支行
账号:1001140209007024765
电话:021-54422420 54422402
传真:021-54422420-801
地址:上海莘庄工业园区申富路128号(开票)
地址:上海青浦工业园区崧海路98号(收货地址)
上海迈动机电设备有限公司提供17%的增值税发票;
品质100%保证,让你更放心使用。
ADD:上海迈动机电设备有限公司 备案号:沪ICP备15037005
TEL:86-021-54422420,021-544227902 ,021-54422402 MB:13818829143,17701898099