All products
联轴器 Coupling
传动轮 Pulley
胀套 Lock
丝杆导轨 ScrewGuide
离合制动器 Clutch
传动器 Actuators
皮带 Belt
电机 Motor
轴承 Bearing

DLZ6 电磁离合制动器
主要用途:电磁离合制动器是一种组合式多功能产品,主要用于机械传动系统中,可在主动部分运转情况下,对负载实现起动和制动两种功能,还可配上专用的电源控制装置,对负载实现高精度起、停、控制,广泛用于要求精度定位的各种机械、印刷机械、包装机械及胶合板生产线等设备。
㈡、离合制动器在下列条件下能可靠工作:
1、离合制动器安装地点海拔不超过2000m.;
2、周围环境温度-5℃~+40℃;
3、周围介质中无爆炸危险,且无足以腐蚀金属和破坏绝缘的气体及导电尘埃;
4、离合制动器线圈电压波动不超过+5%和-15%额定电压;
5、在干式条件下工作。
㈢、安装:
1、离合制动器组合安装前不需要调整;
2、安装时应保证输入、输出同轴度不大于0.1mm;
3、底座应固定牢固。
主要性能参数
规格 | 额定动力矩N.m | 静力矩N.m | 额定电压D.C.V | 线圈消耗功率(20℃)W | 允许最高转速r/min | |||
离合器 | 制动器 | 离合器 | 制动器 | 离合器 | 制动器 | |||
2 | 20 | 20 | 22 | 22 | 24 | 20 | 20 | 4000 |
4 | 40 | 40 | 45 | 45 | 25 | 25 | 4000 | |
8 | 80 | 80 | 90 | 90 | 36 | 38 | 4000 | |

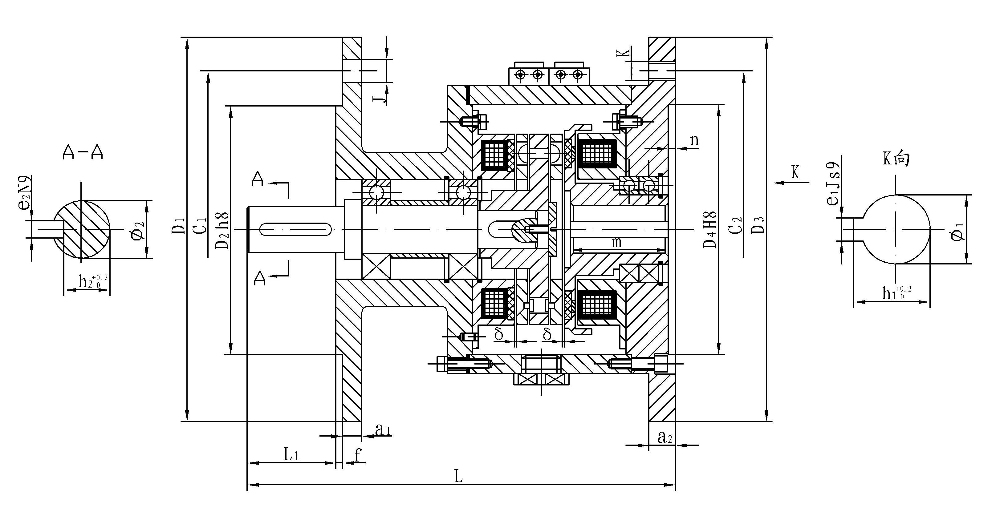
外形与安装尺寸
规格 | D1 | D2 | D3 | D4 | C1 | C2 | J | K | L | L1 | f | a1 | a2 | m | n | φ1 | h1 | e1 | φ2 | h2 | e2 | δ |
1 | 200 | 130 | 200 | 130 | 165 | 165 | 4-φ12 | 4-M10 | 185 | 40 | 3.5 | 10 | 13 | 49 | 4 | 19 | 21.8 | 6 | 19 | 15.5 | 6 | 0.2 |
2 | 200 | 130 | 200 | 130 | 165 | 165 | 4-φ11 | 4-M10 | 217.5 | 50 | 3.5 | 10 | 14 | 52 | 4 | 24H7 | 27.3 | 8 | 24h6 | 20 | 8 | 0.2 |
4 | 250 | 180 | 250 | 180 | 215 | 215 | 4-φ15 | 4-M12 | 257 | 60 | 4 | 15 | 20 | 65 | 5 | 28H8 | 1.3 | 8 | 28h7 | 24 | 8 | 0.3 |
8 | 250 | 180 | 250 | 180 | 215 | 215 | 4-φ15 | 4-M12 | 292 | 60 | 4 | 20 | 25 | 59.5 | 5 | 28H8 | 31.3 | 8 | 28h7 | 24 | 8 | 0.4 |

公司名称:上海迈动机电设备有限公司
公司地址:上海青浦工业区崧海路98号
邮政编码:201703
公司电话:021-54422420
公司传真:021-54422420-801
邮箱:shmidon@126.com
户名:上海迈动机电设备有限公司
税号:310112660703692
开户行:工行上海莘庄支行
账号:1001140209007024765
电话:021-54422420 54422402
传真:021-54422420-801
地址:上海莘庄工业园区申富路128号(开票)
地址:上海青浦工业园区崧海路98号(收货地址)
上海迈动机电设备有限公司提供17%的增值税发票;
品质100%保证,让你更放心使用。
ADD:上海迈动机电设备有限公司 备案号:沪ICP备15037005
TEL:86-021-54422420,021-544227902 ,021-54422402 MB:13818829143,17701898099