86-021-54422420 13818829143
86-021-54422402 17701898099
All products
联轴器 Coupling
传动轮 Pulley
胀套 Lock
丝杆导轨 ScrewGuide
离合制动器 Clutch
传动器 Actuators
皮带 Belt
电机 Motor
轴承 Bearing

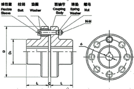
FCL型弹性套柱销联轴器的特点:
广泛用于风机,水泵,农机,粉碎机,
其结构简单,安装方便,更换容易,很实惠用。外观漂亮
尺寸小,重量轻,因而得到广泛使用。
如若安装调整后能保持两轴相对位移量在规定的范围内,
则联轴器会有满意的使用性能和较长的工作寿命。因此能广泛用于载荷不大,由电动机驱动的各种中、小功率传动轴系中,如减速机、起重机、压缩机、输送机、纺织机、卷扬机、球磨机等。





弹性套柱销联轴器的许用相对位移: 径向位移:0.2~0.6mm 角位移:0°30′~1°30′
FCL 联轴器外形尺寸参数
| 型号 | 许用转矩 N.m | 许用转速 r/min | 外径 D | 台径 D1 | 工艺孔 d 1 | 最大孔 d | 轴套长 L | 兰法厚 F1/F2 | 间隙 C | 中分圆 B | 螺栓数*形号 n-a | 销数*大孔 n*M | 弹体 | 重量 KG | |
| FCL75 | 3 | 6000 | 75 | 33.5 | 8 | 15 | 27 | 11 | 3 | 52 | 3-M8*46 | 3*18 | FCL75T | F0 | 0.9 |
| FCL90 | 4 | 4000 | 90 | 35.5 | 11 | 20 | 28 | 14 | 3 | 60 | 4-M8×50 | 4*19 | FCL90T | F1 | 1.7 |
| FCL100 | 10 | 4000 | 100 | 40 | 11 | 22 | 35.5 | 16 | 3 | 67 | 4-M10×56 | 4*23 | FCL100T | F2 | 2.3 |
| FCL112 | 16 | 4000 | 112 | 45 | 13 | 25 | 40 | 16 | 3 | 75 | 4-M10×56 | 4*23 | FCL112T | F2 | 3.09 |
| FCL125 | 25 | 4000 | 125 | 50 | 13 | 28 | 45 | 18 | 3 | 85 | 4-M12×64 | 4*32 | FCL125T | F3 | 4.18 |
| FCL140 | 50 | 4000 | 140 | 63 | 13 | 35 | 50 | 18 | 3 | 100 | 6-M12×64 | 6*32 | FCL140T | F3 | 5.81 |
| FCL160 | 110 | 4000 | 160 | 80 | 15 | 45 | 56 | 18 | 3 | 115 | 8-M12×64 | 8*32 | FCL160T | F3 | 8.24 |
| FCL180 | 157 | 3500 | 180 | 90 | 15 | 50 | 63 | 18 | 3 | 132 | 8-M12×64 | 8*32 | FCL180T | F3 | 11.1 |
| FCL200 | 245 | 3200 | 200 | 100 | 21 | 55 | 71 | 22.4 | 4 | 145 | 8-M20×85 | 8*41 | FCL200T | F4 | 16.6 |
| FCL224 | 392 | 2850 | 224 | 112 | 21 | 65 | 80 | 22.4 | 4 | 170 | 8-M20×85 | 8*41 | FCL224T | F4 | 22 |
| FCL235 | 412 | 2750 | 235 | 117 | 25 | 65 | 85 | 22.4 | 4 | 170 | 8-M20*85 | 8*41 | FCL235T | F4 | 30 |
| FCL250 | 618 | 2550 | 250 | 125 | 25 | 70 | 90 | 28 | 4 | 180 | 8-M24×110 | 8*49 | FCL250T | F5 | 32.4 |
| FCL280 | 980 | 2300 | 280 | 140 | 34 | 80 | 100 | 28/40 | 4 | 200 | 8-M24×116 | 8*49 | FCL280T | F5 | 45 |
| FCL315 | 1568 | 2050 | 315 | 160 | 41 | 90 | 112 | 28/40 | 4 | 236 | 10-M24×116 | 10*49 | FCL315T | F5 | 61.1 |
| FCL355 | 2450 | 1800 | 355 | 180 | 60 | 100 | 125 | 32/50 | 5 | 260 | 8-M30×150 | 8*62 | FCL355T | F6 | 89.5 |
| FCL400 | 3920 | 1600 | 400 | 200 | 60 | 115 | 125 | 32/50 | 5 | 292 | 10-M30×150 | 10*62 | FCL400T | F6 | 113 |
| FCL450 | 6174 | 1400 | 450 | 224 | 65 | 125 | 140 | 32/50 | 5 | 328 | 12-M30×150 | 12*62 | FCL450T | F6 | 145 |
| FCL560 | 9800 | 1150 | 560 | 250 | 85 | 165 | 160 | 32/50 | 5 | 408 | 14-M30×150 | 14*62 | FCL560T | F6 | 229 |
| FCL630 | 15680 | 1000 | 630 | 280 | 95 | 185 | 180 | 32/50 | 5 | 460 | 18-M30×150 | 18*62 | FCL630T | F6 | 296 |
| FCL710 | 18652 | 960 | 710 | 320 | 110 | 210 | 200 | 32/50 | 5 | 520 | 22-M30×150 | 22*62 | FCL710T | F6 | 332 |

公司名称:上海迈动机电设备有限公司
公司地址:上海青浦工业区崧海路98号
邮政编码:201703
公司电话:021-54422420
公司传真:021-54422420-801
邮箱:shmidon@126.com
户名:上海迈动机电设备有限公司
税号:310112660703692
开户行:工行上海莘庄支行
账号:1001140209007024765
电话:021-54422420 54422402
传真:021-54422420-801
地址:上海莘庄工业园区申富路128号(开票)
地址:上海青浦工业园区崧海路98号(收货地址)
上海迈动机电设备有限公司提供17%的增值税发票;
品质100%保证,让你更放心使用。
ADD:上海迈动机电设备有限公司 备案号:沪ICP备15037005
TEL:86-021-54422420,021-544227902 ,021-54422402 MB:13818829143,17701898099