86-021-54422420 13818829143
86-021-54422402 17701898099
All products
联轴器 Coupling
传动轮 Pulley
胀套 Lock
丝杆导轨 ScrewGuide
离合制动器 Clutch
传动器 Actuators
皮带 Belt
电机 Motor
轴承 Bearing

DLM2-D 大扭力磨擦式电磁离合器,DLM2-D大扭力多片式电磁离合器
DLM2大扭力电磁离合器作为高扭矩传递的核心部件,其特性可系统归纳如下:
1. 高扭矩容量,大扭矩输出:专为重载场景设计,扭矩范围通常在数百至数千牛米(具体数值需参考厂商数据),适用于工程机械、重型车辆等高负载设备。
过载能力:短时过载下仍能稳定工作,部分设计具备扭矩限制功能,防止机械系统损坏。
稳定性:采用高摩擦系数材料(如烧结金属或陶瓷复合材料),确保高温、油污等恶劣条件下仍能稳定传递扭矩。
2. 快速响应与控制精度,毫秒级响应:优化电磁线圈设计(如低电感绕组),接合/分离时间可控制在数十毫秒内,提升设备动态性能。
精准控制:支持PWM或模拟信号输入,可线性调节扭矩输出,适配自动化控制系统需求。
低惯量设计:转子结构轻量化,减少启停时的能量损耗,提升响应速度。
3. 高效散热与热管理,冷却系统:集成强制风冷、液冷通道或散热鳍片,有效降低工作温度(例如连续工作温度上限可达120°C以上)。
耐高温材料:电枢与摩擦片采用耐高温合金或复合材料,避免热衰退导致的扭矩衰减。
热保护机制:可选配温度传感器,实时监控并触发过热保护,延长使用寿命。



| 规格 Size | 额定动力矩 Rated DynamicTorque N.m | 额定静力矩 Rated Static Torque N.m | 接通时间 Engagement Time (≤)S | 断开时间 Disengagement Time (≤)S | 额定电压 Ratsd Voltage D.C.V | 线圈功率 Coil Consumption (20°C)W | 最高转数 Max Revolutions r.p.m | 重量 weight kg |
| DLM2-63D | 630 | 700 | 0.4 | 0.12 | 24/96 | 70 | 1750 | 44 |
| DLM2-100D | 1000 | 1100 | 0.5 | 0.15 | 79 | 1600 | 63 | |
| DLM2-160D | 1600 | 1760 | 0.7 | 0.18 | 93 | 1350 | 88 | |
| DLM2-250D | 2500 | 2750 | 0.9 | 0.22 | 110 | 1200 | 124 | |
| DLM2-400D | 4000 | 4400 | 1.1 | 0.26 | 123 | 1000 | 184 | |
| DLM2-630D | 6300 | 6900 | 1.3 | 0.30 | 154 | 800 | 270 | |
| DLM2-1000D | 10000 | 11000 | 1.5 | 0.35 | 185 | 600 | 390 | |
| DLM2-1600D | 16000 | 17600 | 1.8 | 0.40 | 235 | 400 | 641 | |
| DLM2-2500D | 25000 | 27500 | 2.1 | 0.46 | 287 | 200 | 865 |
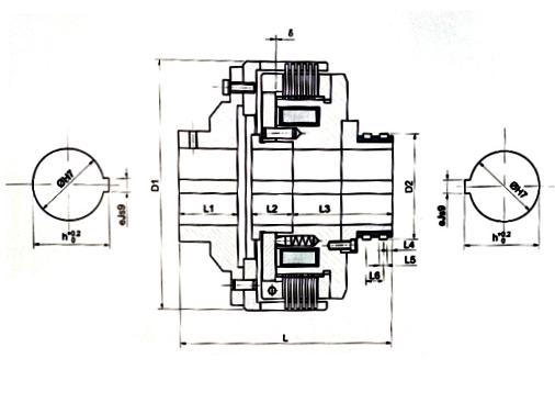
| 规格 Size | 径向尺寸 Radial Demensions | 轴向尺寸 Axial Demensions | |||||||||||
| D1 | D2 | Φ | h | e | L | L1 | L2 | L3 | L4 | L5 | L6 | δ | |
| DLM2-63D | 235 | 100 | 70 | 74.9 | 20 | 226 | 85 | 25 | 102 | 12 | 10 | 24 | 0.6 |
| DLM2-100D | 270 | 120 | 70 | 74.9 | 20 | 242 | 90 | 28 | 110 | 12 | 10 | 24 | 0.7 |
| DLM2-160D | 310 | 145 | 75 | 81.1 | 20 | 290 | 100 | 30 | 132 | 12 | 10 | 24 | 0.8 |
| DLM2-250D | 360 | 160 | 100 | 106.4 | 28 | 298 | 110 | 37 | 135 | 16 | 12 | 32 | 0.9 |
| DLM2-400D | 420 | 170 | 120 | 127.4 | 28 | 350 | 140 | 40 | 154 | 16 | 12 | 32 | 1 |
| DLM2-630D | 485 | 180 | 120 | 127.4 | 32 | 410 | 170 | 45 | 175 | 16 | 12 | 32 | 1.1 |
| DLM2-1000D | 580 | 220 | 130 | 137.4 | 32 | 480 | 210 | 50 | 200 | 16 | 12 | 32 | 1.2 |
| DLM2-1600D | 690 | 250 | 140 | 148.4 | 36 | 540 | 240 | 60 | 220 | 16 | 12 | 32 | 1.3 |
| DLM2-2500D | 850 | 195 | 170 | 179.4 | 40 | 550 | 220 | 80 | 240 | 16 | 12 | 32 | 1.4 |
公司名称:上海迈动机电设备有限公司
公司地址:上海青浦工业区崧海路98号
邮政编码:201703
公司电话:021-54422420
公司传真:021-54422420-801
邮箱:shmidon@126.com
户名:上海迈动机电设备有限公司
税号:310112660703692
开户行:工行上海莘庄支行
账号:1001140209007024765
电话:021-54422420 54422402
传真:021-54422420-801
地址:上海莘庄工业园区申富路128号(开票)
地址:上海青浦工业园区崧海路98号(收货地址)
上海迈动机电设备有限公司提供17%的增值税发票;
品质100%保证,让你更放心使用。
ADD:上海迈动机电设备有限公司 备案号:沪ICP备15037005
TEL:86-021-54422420,021-544227902 ,021-54422402 MB:13818829143,17701898099