86-021-54422420 13818829143
86-021-54422402 17701898099
All products
联轴器 Coupling
传动轮 Pulley
胀套 Lock
丝杆导轨 ScrewGuide
离合制动器 Clutch
传动器 Actuators
皮带 Belt
电机 Motor
轴承 Bearing

MSB永磁联轴器,永磁同步轮联轴器,永磁非接触式密封联轴器,非金属隔离罩营造真空的永磁联轴器,耐高温联轴器,圆筒式永磁联轴器,
永磁联轴器工作原理:它是一种利用永磁体南北极相互吸引或永磁体和电磁线圈之间的相互发生磁场引力作用,实现互相非接触式隔空传递力矩的装置。


永磁联轴器工作详解:
1. 永磁体产生磁场:永磁联轴器内部强大的永磁体,通过自身产生的磁场,形成稳定的磁力相牵引力,相互作的主动和从动关系的工作环境。
2. 电线圈产生磁场:在永磁体附近安装有一个电磁线圈,通上电流后,线圈会产生一个磁场。
3. 磁场交互作用:当电磁线圈产生的磁场与永磁体产生的磁场相互作用时,会发生磁场引力的相互作用。
通过调节电磁线圈的电流大小,来控制电磁场的强度,从而调节永磁联轴器的引力的大小效果。这种原理具有可调节的扭矩输出特性,叫可调永磁联轴器,下不详述,参看迈动工业其它永磁产品。 类:MINEX SC
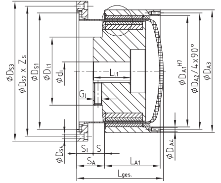
规格 TYPLE | 扭矩Nm | 内磁转子 | 隔离套 | 外磁转子 | 通用件 | 可选部件 | |||||||||||||||||||
| 孔径d1 | D11 | L11 | S1 | G1 | DS1 | DS2 | DS3 | DS4 | ZS | DA1 | DA2 | DA3 | DA4 | LA1 | DS | DS6 | DA5 | L totel | LH | d3 | DK | ||||
| 最少 | 最大 | 最少 | 最大 | ||||||||||||||||||||||
| MSB75/10 | 10 | 12 | 28 | 45 | 39.5 | 4 | 46.5 | M6 | 75 | 100 | 118 | 9 | 8 | 90 | 100 | 110 | M6 | 41 | 12.5 | 74.6 | 76.2 | 102 | |||
| MSB75/20 | 24 | 58 | 26.5 | 61 | |||||||||||||||||||||
| MSB75/30 | 40 | 80 | 6 | 63.5 | 14.5 | ||||||||||||||||||||
| MSB110/16 | 25 | 14 | 55 | 72 | 45 | 4 | 51 | M8 | 110 | 133 | 153 | 9 | 12 | 126 | 135 | 145 | M6 | 41 | 19 | 111.5 | 112.8 | 115 | |||
| MSB110/26 | 60 | 65 | 31 | 61 | |||||||||||||||||||||
| MSB110/36 | 95 | 85 | 11 | 81 | |||||||||||||||||||||
| MSB135/20 | 100 | 20 | 70 | 90 | 65 | 4 | 46.5 | M10 | 135 | 158 | 178 | 9 | 16 | 150 | 160 | 170 | M6 | 70 | 18.5 | 136.5 | 138.2 | 139 | |||
| MSB135/40 | 145 | 85 | 26.5 | 90 | |||||||||||||||||||||
| MSB135/60 | 200 | 110 | 7 | 110 | 22 | ||||||||||||||||||||
| MSB165/24 | 210 | 24 | 90 | 110 | 85 | 6 | 66.5 | M12 | 163.5 | 192 | 218 | 11 | 12 | 180 | 188 | 198 | M6 | 90 | 18.5 | 167 | 168.5 | 170 | |||
| MSB165/44 | 285 | 110 | 41 | 110 | 21 | ||||||||||||||||||||
| MSB165/64 | 370 | 130 | 22 | 130 | |||||||||||||||||||||
| MSB200/30 | 430 | 38 | 90 | 130 | 135 | 6 | 18 | M16 | 200 | 252 | 278 | 11 | 12 | 212 | 222 | 232 | M6 | 130 | 26 | 198 | 199.5 | 180 | |||
| MSB200/60 | 550 | ||||||||||||||||||||||||
| MSB250/38 | 670 | 38 | 90 | 165 | 115 | / | 7 | M16 | 255 | 285 | 315 | 13.5 | 12 | 267 | 277 | 287 | M6 | 110 | 26 | 253 | 255 | 183 | |||
| MSB250/68 | 820 | 135 | 26 | 130 | |||||||||||||||||||||
| MSB250/98 | 1000 | 155 | 46 | 150 | |||||||||||||||||||||
应用场景:非接触式-密闭容器,隔空传力,---搅拌设备

实验设备:真空密闭非接触情况下传递动力:
可以变通轴左右,上下传递的方式,作为非触密封永磁联轴器,如下图实验室密封营造真空负压的永磁联轴器,白色圆锥用于锥塞瓶口,密闭和真空抽取作用。
1、非接触密闭联接:

2、上下垂直密封,非接触联接—常用于实验室,化学工业生产,搅拌加工,动力传递。

破碎机永磁联轴器上的应用:
原来应用通用弹性联轴器,没有安全扭力保护功能如图:

现在改用永磁轴向联轴器或永磁径向联轴器MBS都可满足扭力传递和过载保护性能,免维护,减少因过载机耗损失。


公司名称:上海迈动机电设备有限公司
公司地址:上海青浦工业区崧海路98号
邮政编码:201703
公司电话:021-54422420
公司传真:021-54422420-801
邮箱:shmidon@126.com
户名:上海迈动机电设备有限公司
税号:310112660703692
开户行:工行上海莘庄支行
账号:1001140209007024765
电话:021-54422420 54422402
传真:021-54422420-801
地址:上海莘庄工业园区申富路128号(开票)
地址:上海青浦工业园区崧海路98号(收货地址)
上海迈动机电设备有限公司提供17%的增值税发票;
品质100%保证,让你更放心使用。
ADD:上海迈动机电设备有限公司 备案号:沪ICP备15037005
TEL:86-021-54422420,021-544227902 ,021-54422402 MB:13818829143,17701898099