86-021-54422420 13818829143
86-021-54422402 17701898099
All products
聯軸器 Coupling
傳動輪 Pulley
脹套 Lock
絲桿導軌 ScrewGuide
離合制動器 Clutch
傳動器 Actuators
皮帶 Belt
電機 Motor
軸承 Bearing

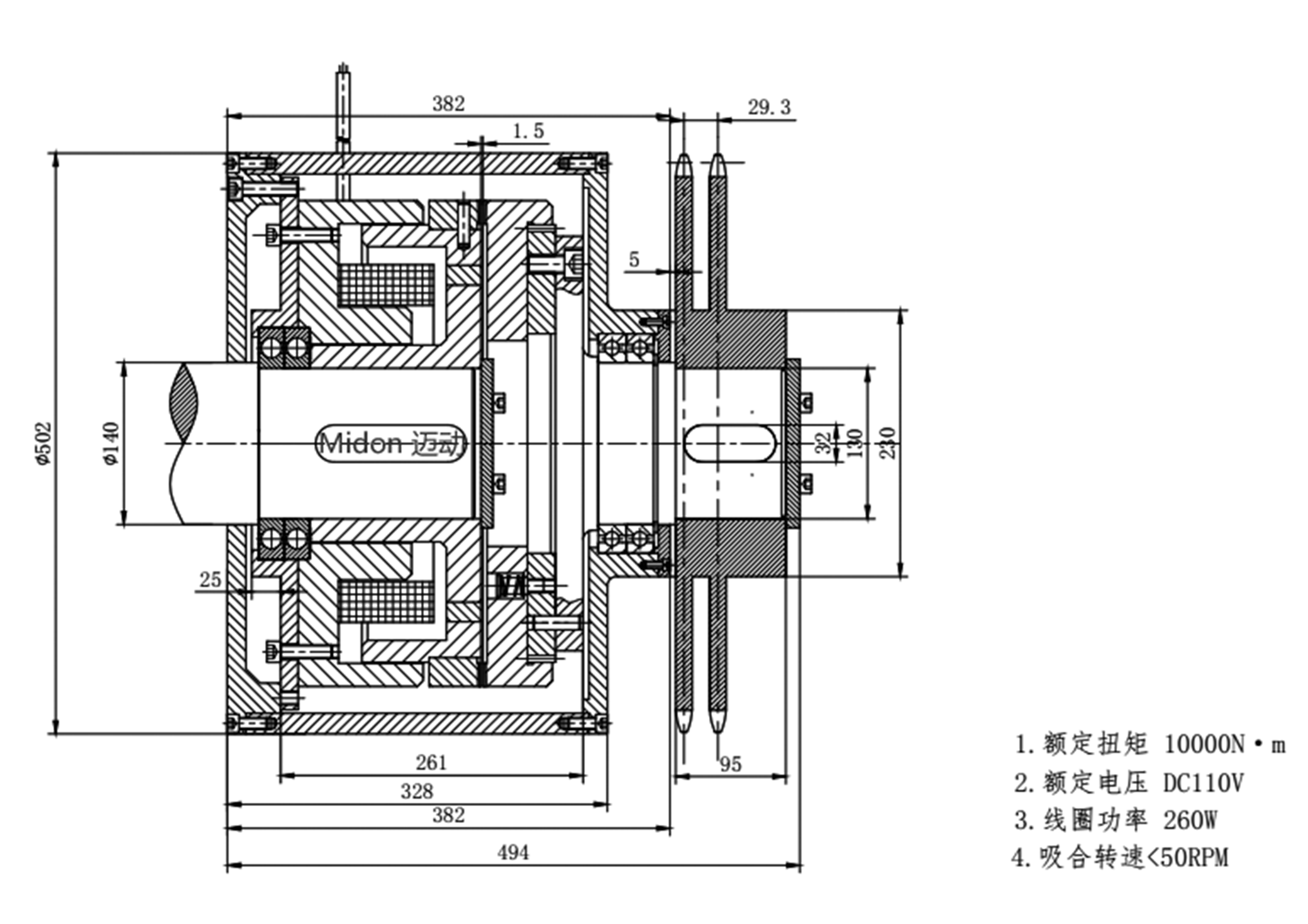
防爆離合器:DLY3-200B DLY3-1000B牙嵌式電磁防爆離合器 ,邁動工業耐高溫牙嵌離合器達<135°度甲板可用, 耐熱離合器 耐輻射離合器,核電站+160°度空間可用;靈敏高效,離合速度時間0.1秒。
EXDIIBT4 防爆等級詳解
EXDIIBT4 是電氣設備防爆等級的一種標識,廣泛應用于爆炸性氣體環境中的設備安全防護。以下從含義適用范圍、技術特點等方面進行解析:
1.標識分解與含義
Ex:國際通用的防爆標志,表示該設備符合防爆標準810。
d:防爆形式為“隔爆型”(防爆外殼能承受內部爆炸壓力并阻止火焰傳播)811。
II:設備類別,適用于除煤礦以外的其他爆炸性氣體環境(煤礦為|類)(210。
B:氣體組別,屬于川B級(可覆蓋IIA級氣體環境,但不適用于川C級)811。
T4:溫度組別,設備最高表面溫度不超過135℃℃811。
2.適用范圍,能在以下工況環境下使用:
環境類型:適用于1區、2區危險場所的IIA、IIB類氣體環境(如石油、化工、制藥等行業的易燃易爆區域)1115。
不適用范圍:煤礦(Il類)、IIC級氣體(如氫氣、乙炔等)及粉塵環境(需亞類設備)(2 10。

DLY3-200B防爆離合器可以與鏈輪、齒輪、皮帶輪同步輪、法蘭軸套或傳動軸聯接。



DLY3-1000B防爆離合器可以與鏈輪、齒輪、皮帶輪同步輪、法蘭軸套或傳動軸聯接。

| 規 格 Model | 額定傳遞力矩 Rated Transmitting Torque (N.m) | 額定電壓 Rated Voltage D.C(V) | 線圈消耗功率(20℃) Coil power(20℃) W | 允許最高吸合轉速 Max Engagement Speed r/min | 允許最高轉速 Max Allowed Speed(r/min) | 從外徑 D1 | 裝心圓徑 D2 | 磁套內徑D3 | 隔套內徑D4 | 軸承內徑D5 | 離轂臺徑 D6 | 主外徑D7 | 彈孔徑 φ1 | 裝孔徑 φ2 | 內孔徑φ | 孔鍵高 h | 鍵寬 e | 總長 L | 主套長L1 | 定位深L2 | 定位寬L3 | 定位角 a | 間隙 δ | |
| DLY3-200B | 2000 | 24 | 105 | 15 | 1800 | 234 | 252 | 60 | 65 | 105 | 106 | 252 | 6-φ10.5 | 3*M4 | 10 | 90.40+0.2 | 22 | 180 | 80 | 8 | 12 | 45° | 0.4±0.05 | |
| DLY3-1000B | 10000 | 110 | 260 | 15 | 1500 | 502 | 230 | 130 | 178 | 200 | 230 | 502 | 8-φ12 | 3-φ10 | 20 | 137.4+0.2 | 32 | 494 | 192 | 25 | M10*6 | 0° | 1±0.05 | |
公司名稱:上海邁動機電設備有限公司
公司地址:上海青浦工業區崧海路98號
郵政編碼:201703
公司電話:021-54422420
公司傳真:021-54422420-801
郵箱:shmidon@126.com
戶名:上海邁動機電設備有限公司
稅號:310112660703692
開戶行:工行上海莘莊支行
賬號:1001140209007024765
電話:021-54422420 54422402
傳真:021-54422420-801
地址:上海莘莊工業園區申富路128號(開票)
地址:上海青浦工業園區崧海路98號(收貨地址)
上海邁動機電設備有限公司提供17%的增值稅發票;
品質100%保證,讓你更放心使用。
ADD:上海邁動機電設備有限公司 備案號:滬ICP備15037005
TEL:86-021-54422420,021-544227902 ,021-54422402 MB:13818829143,17701898099