86-021-54422420 13818829143
86-021-54422402 17701898099
All products
聯軸器 Coupling
傳動輪 Pulley
脹套 Lock
絲桿導軌 ScrewGuide
離合制動器 Clutch
傳動器 Actuators
皮帶 Belt
電機 Motor
軸承 Bearing

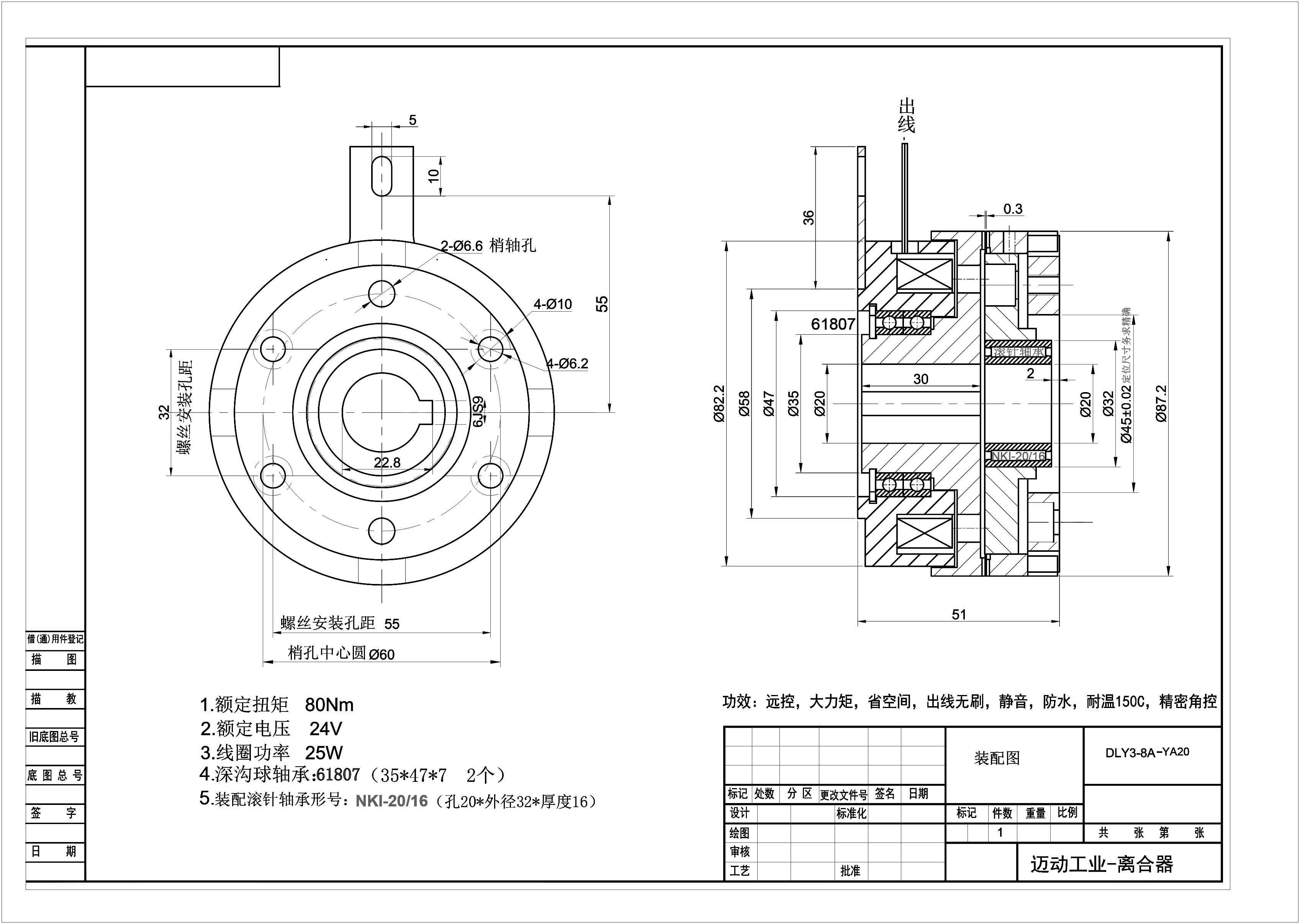
DLY3-8A 電磁離合器,80N.M
邁動工業得電離合器,得電吸合,失電分離,斜齒內合,高敏0.02秒離合能力

| 規 格 Model | 額定傳遞力矩 Rated Transmitting Torque (N.m) | 額定電壓 Rated Voltage D.C(V) | 線圈消耗功率(20℃) Coil power(20℃) W | 允許最高吸合轉速 Max Engagement Speed r/min | 允許最高轉速 Max Allowed Speed(r/min) | |
| DLY3-1A | 20 | 24 | 13 | 50 | 3000 | |
| DLY3-5A | 50 | 24 | 24 | 50 | 4500 | |
| DLY3-8A | 80 | 24 | 25 | 50 | 4000 | |
| DLY3-16A | 160 | 24 | 32 | 50 | 3500 | |
| DLY3-25A | 250 | 24 | 38 | 20 | 3300 | |
| DLY3-41A | 410 | 24 | 64 | 15 | 3000 | |
| DLY3-63A | 630 | 24 | 60 | 15 | 2500 | |
| DLY3-100A | 1000 | 24 | 80 | 15 | 2200 | |
| DLY3-200A | 2200 | 24 | 110 | 15 | 1800 | |
| DLY3-1000A | 10000 | 110 | 260 | 15 | 1500 | |
| 規格 Model | 徑向尺寸Radial Dimensions | 軸向尺寸Axial Dimensions | ||||||||||||||||||
| 從外徑 D1 | 裝心圓徑 D2 | 磁套內徑D3 | 隔套內徑D4 | 軸承內徑D5 | 離轂臺徑 D6 | 主外徑D7 | 彈孔徑 φ1 | 裝孔徑 φ2 | 內孔徑φ | 孔鍵高 h | 鍵寬 e | 總長 L | 主套長L1 | 定位深L2 | 定位寬L3 | 定位角 a | 間隙 δ | |||
| DLY3-1A | 57 | 36 | 22.5 | 22.5 | 10 | 20 | 57 | 3*φ4 | 3*M4 | 10 | 11.8 | JS93 | 43 | 32 | 5 | 6 | 45° | 0.3±0.05 | ||
| DLY3-5A | 82 | 58 | 42 | 36 | 35 | 75 | 82 | 3-φ4.5 | 3-φ10 | 20 | 22.80+0.1 | 6JS9 | 55 | 42 | 6 | 8 | 45° | 0.3±0.05 | ||
| DLY3-8A | 87.2 | 60 | 58 | 45 | 35 | 58 | 82.2 | 4*φ10 | 2*φ6.6 | 20 | 22.8 | 6 JS9 | 51 | 30 | 5 | 15 | 0° | 0.4±0.1 | ||
| DLY3-16A | 100 | 73 | 58 | 47 | 50 | 98 | 100 | 4*φ11 | 4*φ5 | 25 | 28.3 | 8JS9 | 82 | 57 | 2 | 16 | 0° | 0.3±0.05 | ||
| DLY3-25A | 115 | 80 | 62 | 55 | 55 | 105 | 115 | 3-φ6.5 | 3-φ12 | 40 | 43.30+0.2 | 12 | 70 | 50.8 | 5 | 10 | 45° | 0.4±0.1 | ||
| DLY3-41A | 134 | 95 | 72 | 68 | 70 | 127 | 134 | 6-φ8.5 | 6-φ15 | 45 | 48.80+0.2 | 14 | 83 | 61 | 7 | 10 | 45° | 0.4±0.1 | ||
| DLY3-63A | 145 | 95 | 72 | 65 | 65 | 127 | 145 | 3-φ8.5 | 3-φ15 | 40 | 43.30+0.2 | 12 | 85.6 | 64.5 | 5 | 10 | 45° | 0.7±0.1 | ||
| DLY3-100A | 166 | 120 | 90 | 80 | 85 | 152 | 166 | 6-φ8.5 | 6-φ14.5 | 60 | 64.40+0.2 | 18 | 95 | 68 | 10 | 12 | 45° | 0.7±0.1 | ||
| DLY3-200A | 210 | 160 | 130 | 95 | 105 | 190 | 210 | 6-φ10.5 | 6-φ18 | 85 | 90.40+0.2 | 22 | 110 | 80 | 10 | 12 | 45° | 0.4±0.05 | ||
| DLY3-1000A | 420 | 310 | 190 | 178 | 200 | 230 | 460 | 8-φ12 | 8*M16 | 130 | 1374+0.2 | 32 | 262 | 192 | 40 | M10*6 | 0° | 1±0.05 | ||
與齒輪組合裝配效果:

分拆組合展示圖示:

公司名稱:上海邁動機電設備有限公司
公司地址:上海青浦工業區崧海路98號
郵政編碼:201703
公司電話:021-54422420
公司傳真:021-54422420-801
郵箱:shmidon@126.com
戶名:上海邁動機電設備有限公司
稅號:310112660703692
開戶行:工行上海莘莊支行
賬號:1001140209007024765
電話:021-54422420 54422402
傳真:021-54422420-801
地址:上海莘莊工業園區申富路128號(開票)
地址:上海青浦工業園區崧海路98號(收貨地址)
上海邁動機電設備有限公司提供17%的增值稅發票;
品質100%保證,讓你更放心使用。
ADD:上海邁動機電設備有限公司 備案號:滬ICP備15037005
TEL:86-021-54422420,021-544227902 ,021-54422402 MB:13818829143,17701898099