滾珠絲桿由螺桿、螺母和滾珠組成。它的功能是將旋轉運動轉化成直線運動,這項發展的重要意義就是將軸承從滾動動作變成滑動動作。由于具有很小的摩擦阻力,滾珠絲桿被廣泛應用于各種工業設備和精密儀器。?
??
滾珠絲桿是工具機和精密機械上最常使用的傳動元件,其主要功能是將旋轉運動轉換成線性運動,或將扭矩轉換成軸向反覆作用力,同時兼具高精度、可逆性和高效率的特點。?
?" />
86-021-54422420 13818829143
86-021-54422402 17701898099
All products
聯軸器 Coupling
傳動輪 Pulley
脹套 Lock
絲桿導軌 ScrewGuide
離合制動器 Clutch
傳動器 Actuators
皮帶 Belt
電機 Motor
軸承 Bearing

SFD/SFR 高速導程絲桿,高速絲桿
邁動工業滾珠絲桿的特點::
1、滾珠絲桿與滑動絲杠副相比驅動力矩為1/3
滾珠絲桿的絲杠軸與絲母之間有很多滾珠在做滾動運動,所以能得到較高的運動效率。與過去的滑動絲杠副相比驅動力矩達到1/3以下,即達到同樣運動結果所需的動力為使用滾動絲杠副的1/3。在省電方面很有幫助。
2、高精度的保證
滾珠絲桿是用日本制造的世界最高水平的機械設備連貫生產出來的,特別是在研削、組裝、檢查各工序的工廠環境方面,對溫度·濕度進行了嚴格的控制,由于完善的品質管理體制使精度得以充分保證。
3、微進給可能
滾珠絲桿由于是利用滾珠運動,所以啟動力矩極小,不會出現滑動運動那樣的爬行現象,能保證實現精確的微進給。
4、無側隙、剛性高
滾珠絲桿可以加予壓,由于予壓力可使軸向間隙達到負值,進而得到較高的剛性(滾珠絲杠內通過給滾珠加予壓力,在實際用于機械裝置等時,由于滾珠的斥力可使絲母部的剛性增強)。
5、高速進給可能滾珠絲桿由于運動效率高、發熱小、所以可實現高速進給(運動)。
邁動工業絲桿精度公差:C10,C7,C5,C3,C2,C1--數字越小,精度越高



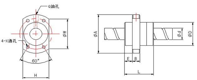
| 規格型號 | 公稱直徑 | 導程 | 鋼球直徑 | 螺帽安裝鏈接尺寸(MM) | 滾珠圈數 | 動額定負荷CaKN | 靜額定負荷CoKN | 剛性KN/μm | ||||||||
| D | A | E | B | L | W | H | X | Q | ||||||||
| SFD1616-3 | 16 | 16 | 2.778 | 32 | 53 | 10.1 | 10 | 38 | 42 | 34 | 4.5 | M6 | 1.7*2 | 650 | 1280 | 19 |
| SFD1616-6 | 16 | 2.778 | 32 | 53 | 10.1 | 10 | 38 | 42 | 34 | 4.5 | M6 | 1.7*4 | 1180 | 2550 | 36 | |
| SFD1632-3 | 16 | 32 | 3.175 | 34 | 55 | 10.5 | 10 | 34 | 45 | 36 | 5.5 | M6 | 0.7*2 | 410 | 680 | 21 |
| SFD1632-6 | 32 | 3.175 | 34 | 55 | 10.5 | 10 | 34 | 45 | 36 | 5.5 | M6 | 0.7*4 | 820 | 1360 | 41 | |
| SFD2020-3 | 20 | 20 | 3.175 | 39 | 62 | 11.5 | 10 | 47 | 50 | 41 | 5.5 | M6 | 1.7*2 | 980 | 2140 | 25 |
| SFD2020-6 | 20 | 3.175 | 39 | 62 | 11.5 | 10 | 47 | 50 | 41 | 5.5 | M6 | 1.7*4 | 1780 | 4280 | 49 | |
| SFD2040-3 | 20 | 40 | 3.175 | 38 | 58 | 11 | 10 | 41 | 48 | 40 | 5.5 | M6 | 0.7*2 | 455 | 880 | 25 |
| SFD2040-6 | 40 | 3.175 | 38 | 58 | 11 | 10 | 41 | 48 | 40 | 5.5 | M6 | 0.7*4 | 910 | 1760 | 49 | |
| SFD2525-3 | 25 | 25 | 3.696 | 47 | 74 | 13 | 12 | 57 | 60 | 49 | 6.6 | M6 | 1.7*2 | 1470 | 3350 | 31 |
| SFD2525-6 | 25 | 3.696 | 47 | 74 | 13 | 12 | 57 | 60 | 49 | 6.6 | M6 | 1.7*4 | 2660 | 6690 | 60 | |
| SFD2550-3 | 25 | 50 | 3.696 | 46 | 70 | 13 | 12 | 50 | 58 | 48 | 6.6 | M6 | 0.7*2 | 685 | 1380 | 31 |
| SFD2550-6 | 50 | 3.696 | 46 | 70 | 13 | 12 | 50 | 58 | 48 | 6.6 | M6 | 0.7*4 | 1370 | 2760 | 60 | |
| SFD3232-3 | 32 | 32 | 4.762 | 58 | 92 | 16 | 12 | 71 | 74 | 60 | 9 | M6 | 1.7*2 | 2140 | 5260 | 40 |
| SFD3232-6 | 32 | 4.762 | 58 | 92 | 16 | 12 | 71 | 74 | 60 | 9 | M6 | 1.7*4 | 3890 | 10500 | 76 | |
| SFD3264-3 | 32 | 64 | 4.762 | 58 | 92 | 15.5 | 12 | 62 | 74 | 60 | 9 | M6 | 0.7*2 | 1000 | 2130 | 40 |
| SFD3264-6 | 64 | 4.762 | 58 | 92 | 15.5 | 12 | 62 | 74 | 60 | 9 | M6 | 0.7*4 | 2000 | 4260 | 77 | |
| SFD4040-3 | 40 | 40 | 6.35 | 73 | 114 | 19 | 15 | 89 | 93 | 75 | 11 | M6 | 1.7*2 | 3410 | 8820 | 49 |
| SFD4040-6 | 40 | 6.35 | 73 | 114 | 19 | 15 | 89 | 93 | 75 | 11 | M6 | 1.7*4 | 6200 | 17600 | 95 | |
| SFD5050-3 | 50 | 50 | 7.938 | 90 | 135 | 21.5 | 20 | 107 | 112 | 92 | 14 | M6 | 1.7*2 | 5100 | 13800 | 60 |
| SFD5050-6 | 50 | 7.938 | 90 | 135 | 21.5 | 20 | 107 | 112 | 92 | 14 | M6 | 1.7*4 | 7260 | 27600 | 117 |
公司名稱:上海邁動機電設備有限公司
公司地址:上海青浦工業區崧海路98號
郵政編碼:201703
公司電話:021-54422420
公司傳真:021-54422420-801
郵箱:shmidon@126.com
戶名:上海邁動機電設備有限公司
稅號:310112660703692
開戶行:工行上海莘莊支行
賬號:1001140209007024765
電話:021-54422420 54422402
傳真:021-54422420-801
地址:上海莘莊工業園區申富路128號(開票)
地址:上海青浦工業園區崧海路98號(收貨地址)
上海邁動機電設備有限公司提供17%的增值稅發票;
品質100%保證,讓你更放心使用。
ADD:上海邁動機電設備有限公司 備案號:滬ICP備15037005
TEL:86-021-54422420,021-544227902 ,021-54422402 MB:13818829143,17701898099