86-021-54422420 13818829143
86-021-54422402 17701898099
All products
聯軸器 Coupling
傳動輪 Pulley
脹套 Lock
絲桿導軌 ScrewGuide
離合制動器 Clutch
傳動器 Actuators
皮帶 Belt
電機 Motor
軸承 Bearing

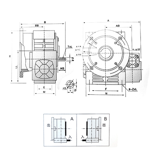
FCEWKF雙級萬能型渦輪桿減速機


| 型號 Size | 速比 Ratio | A | AB | B | BB | E | F | H | HL | LL | M | N | ZxL | 入力軸Input Shaft | 出力孔Output Hole | 出力法蘭Output Flange | 重量 KG | ||||||
| HS | U | TxV | S | WxY | YA | YB | YC | YZ | |||||||||||||||
| 40/70 | 1/200 1/300 1/400 1/500 1/600 1/800 1/900 | 267 | 130 | 204 | 115 | 65 | 125 | 215 | 95 | 125 | 85 | 155 | M10X15 | 25 | 12 | 4X2.55 | 30 | 8X33.3 | 215 | 180 | 250 | 15 | 33 |
| 50/80 | 301 | 148 | 220 | 115 | 70 | 140 | 250 | 115 | 145 | 100 | 175 | M12X20 | 30 | 12 | 4X2.5 | 35 | 10X38.3 | 215 | 180 | 250 | 15 | 42 | |
| 60/100 | 328 | 156 | 266 | 145 | 90 | 180 | 310 | 140 | 180 | 120 | 220 | M12X20 | 40 | 15 | 5X3 | 40 | 12X43.3 | 265 | 230 | 300 | 15 | 64 | |
| 70/120 | 426 | 208 | 285 | 145 | 100 | 220 | 370 | 165 | 215 | 130 | 260 | M14X20 | 40 | 18 | 5X3 | 45 | 14X48.8 | 300 | 250 | 350 | 19 | 98 | |
| 80/135 | 472 | 228 | 308 | 148 | 10 | 260 | 425 | 185 | 240 | 160 | 300 | M16X25 | 50 | 22 | 7x4 | 60 | 18X64.4 | 350 | 300 | 400 | 19 | 130 | |
| 100/155 | 529 | 251 | 343 | 165 | 120 | 280 | 461 | 203 | 258 | 170 | 330 | M16X25 | 50 | 25 | 7X4 | 70 | 20X74.9 | 350 | 300 | 400 | 19 | 180 | |
公司名稱:上海邁動機電設備有限公司
公司地址:上海青浦工業區崧海路98號
郵政編碼:201703
公司電話:021-54422420
公司傳真:021-54422420-801
郵箱:shmidon@126.com
戶名:上海邁動機電設備有限公司
稅號:310112660703692
開戶行:工行上海莘莊支行
賬號:1001140209007024765
電話:021-54422420 54422402
傳真:021-54422420-801
地址:上海莘莊工業園區申富路128號(開票)
地址:上海青浦工業園區崧海路98號(收貨地址)
上海邁動機電設備有限公司提供17%的增值稅發票;
品質100%保證,讓你更放心使用。
ADD:上海邁動機電設備有限公司 備案號:滬ICP備15037005
TEL:86-021-54422420,021-544227902 ,021-54422402 MB:13818829143,17701898099